DESCRIPTION
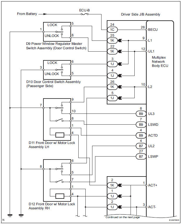
The body ECU receives a switch signal from the master switch, the door control switch, the driver door key cylinder and the passenger door key cylinder and then drives the door lock motor.
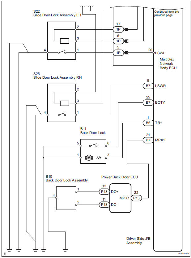
WIRING DIAGRAM


INSPECTION PROCEDURE
1 INSPECT FUSE (ECU-B)
Standard resistance: Below 1 Ω
2 PERFORM ACTIVE TEST BY INTELLIGENT TESTER
HINT: During the ACTIVE TEST, the intelligent tester sends a signal to the body ECU to drive all the power door lock motors. If the power door lock operates, the power door lock motor itself and the wire harness between the power door lock motor and body ECU are considered to be functioning normally.
BODY (Multiplex network body ECU)

3 CHECK OPERATION (MASTER SWITCH OR KEY CYLINDER)
4 INSPECT POWER WINDOW REGULATOR SWITCH ASSEMBLY (DOOR CONTROL SWITCH)

Standard resistance

5 CHECK HARNESS AND CONNECTOR (POWER WINDOW REGULATOR MASTER SWITCH - DRIVER SIDE J/B)

Standard resistance

REPAIR OR REPLACE HARNESS OR CONNECTOR
6 INSPECT DOOR CONTROL SWITCH ASSEMBLY

Standard resistance

7 CHECK HARNESS AND CONNECTOR (DOOR CONTROL SWITCH (PASSENGER SIDE) -DRIVER SIDE J/B)

Standard resistance

REPAIR OR REPLACE HARNESS OR CONNECTOR
8 INSPECT FRONT DOOR W/ MOTOR LOCK ASSEMBLY LH

Standard


Standard resistance

Standard resistance

9 CHECK HARNESS AND CONNECTOR (FRONT DOOR W/ MOTOR LOCK ASSEMBLY - DRIVER SIDE J/B)

Standard resistance

REPLACE DRIVER SIDE JUNCTION BLOCK ASSEMBLY (MULTIPLEX NETWORK BODY ECU)
10 INSPECT FRONT DOOR W/MOTOR LOCK ASSEMBLY RH

Standard


Standard resistance

Standard resistance

11 CHECK HARNESS AND CONNECTOR (FRONT DOOR W/ MOTOR LOCK ASSEMBLY RH - DRIVER SIDE J/B)

Standard resistance

REPLACE DRIVER SIDE JUNCTION BLOCK ASSEMBLY (MULTIPLEX NETWORK BODY ECU)
Data list / active test
Key Lock-in Prevention Function does not Work Properly (Manual
Operation and Operation Interlocked with Key are Active)Installation
1. INSTALL SLIDING ROOF HOUSING ASSEMBLY
Install the housing with the 6 nuts.
Install the 4 brackets with the 8 bolts.
Connect the 4 hoses and drive gear connector.
2. ADJUST SLIDING ROOF GLASS SUB-ASSEMBLY
Check for a difference in levels between the sliding
roof (roof glass) a ...
Power Slide Door LH does not Operate When Satellite Switch is
Pressed
DESCRIPTION
The power slide door operates only when the power slide door main
switch is ON (switch free: orange
paint on the top of the switch appears). The power slide door ECU LH
controls the power slide door LH,
which activates the slide door motor to open / close the slide do ...
How to proceed with
troubleshooting
NOTICE:
DTCs for the CAN communication system are as follows:
U0073, U0100, U0122, U0123, U0124, U0126 and U1101.
HINT:
If U0235 or U1102 is output alone, the CAN communication is
normal
1 CHECK AND CLEAR DTCS
HINT:
CAN communication DTCs are output when there is an
open or short in any ...