DESCRIPTION
The system detects the ignition switch's starting signal (STSW) and then supplies current to the starter until the ECM judges that the engine has started successfully. The purpose is to reduce the holding time of the ignition key.

WIRING DIAGRAM
Refer to DTC P0617 (See page ES-320).
INSPECTION PROCEDURE
1 CHECK CRANKING
(a) When starting the engine, check whether the starter motor starts.
OK: Engine is cranking.

2 READ VALUE OF INTELLIGENT TESTER (STA SIGNAL)
(a) Connect the intelligent tester to the DLC3.
(b) Turn the ignition switch to the ON position.
(c) Turn the tester on.
(d) Select the following menu items: DIAGNOSIS / ENHANCED OBDII / DATA LIST / ALL / STARTER SIG.
(e) Check the result when the ignition switch is turned ON and when the engine is started.
OK 

3 CHECK ECM (STAR AND STSW VOLTAGE)

(a) Measure the voltage between the terminals of the ECM connector and body ground while cranking the engine.
Standard voltage 
Result 

4 INSPECT PARK/NEUTRAL POSITION SWITCH ASSEMBLY

(a) Inspect the Park/Neutral Position (PNP) switch.
(1) Disconnect the P1 PNP switch connector.
(2) Measure the resistance according to the value(s) in the table below.
Standard resistance 
(3) Reconnect the PNP switch connector.

5 CHECK HARNESS AND CONNECTOR (IGNITION SWITCH - PARK/NEUTRAL POSITION SWITCH)

(a) Disconnect the I15 ignition switch connector.
(b) Disconnect the P1 park/neutral position switch connector.
(c) Measure the resistance according to the value(s) in the table below.
Standard resistance (check for open)

Standard resistance (check for short)

(d) Reconnect the ignition switch connector.
(e) Reconnect the park/neutral position switch connector.


REPAIR OR REPLACE HARNESS OR CONNECTOR (PARK/NEUTRAL POSITION SWITCH - ECM)
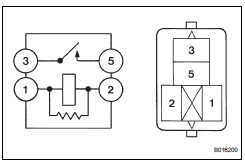
6 INSPECT ST RELAY

(a) Remove the ST relay from the No. 3 relay block.
(b) Measure the resistance according to the value(s) in the table below.
Standard resistance
(c) Reinstall the ST relay to the No. 3 relay block.

7 CHECK HARNESS AND CONNECTOR (PARK/NEUTRAL POSITION SWITCH - ST RELAY)

(a) Disconnect the P1 park/neutral position switch connector.
(b) Remove the ST relay from the No. 3 relay block.
(c) Measure the resistance according to the value(s) in the table below.
Standard resistance (check for open)
Standard resistance (check for short)

(d) Reconnect the park/neutral position switch connector.
(e) Reinstall the ST relay to the No. 3 relay block.

8 CHECK HARNESS AND CONNECTOR (ST RELAY - BODY GROUND)

(a) Remove the ST relay from the No. 3 relay block.
(b) Measure the resistance according to the value(s) in the table below.
Standard resistance 
(c) Reinstall the ST relay to the No. 3 relay block.

9 CHECK ST RELAY (POWER SOURCE)

(a) Remove the ST relay from the No. 3 relay block.
(b) Measure the voltage according to the value(s) in the table below.
Standard voltage 
(c) Reinstall the ST relay to the No. 3 relay block.

10 INSPECT FUSIBLE LINK

(a) Remove the fusible link block from the engine room junction block.
(b) Measure the resistance according to the value(s) in the table below.
Standard resistance 
(c) Reinstall the fusible link block to the engine room junction block.

REPAIR OR REPLACE HARNESS OR CONNECTOR (BATTERY - STARTER RELAY)
11 INSPECT STARTER ASSEMBLY
(a) Inspect the starter assembly (See page ST-7).

12 CHECK HARNESS AND CONNECTOR (ST RELAY - STARTER ASSEMBLY)

(a) Remove the ST relay from the No. 3 relay block.
(b) Disconnect the S4 starter connector.
(c) Measure the resistance according to the value(s) in the table below.
Standard resistance (check for open)

Standard resistance (check for short)

(d) Reconnect the starter connector.
(e) Reinstall the ST relay to the No. 3 relay block.

REPAIR OR REPLACE HARNESS OR CONNECTOR (BATTERY - STARTER ASSEMBLY)
13 INSPECT FUSE (ST FUSE)

(a) Remove the ST fuse from the fuse box.
(b) Measure the resistance according to the value(s) in the table below.
Standard resistance 
(c) Reinstall the ST fuse.

14 INSPECT IGNITION SWITCH ASSEMBLY

(a) Disconnect the I15 ignition switch connector.
(b) Measure the resistance according to the value(s) in the table below.
Standard resistance 
(c) Reconnect the ignition switch connector.

15 CHECK HARNESS AND CONNECTOR (ECM - IGNITION SWITCH ASSEMBLY)

(a) Disconnect the E11 ECM connector.
(b) Disconnect the I15 ignition switch connector.
(c) Measure the resistance according to the value(s) in the table below.
Standard resistance (check for open)

Standard resistance (check for short)

(d) Reconnect the ECM connector.
(e) Reconnect the ignition switch connector.

REPAIR OR REPLACE HARNESS OR CONNECTOR (IGNITION SWITCH - BATTERY)
Fuel Pump Control Circuit
ACIS Control CircuitApproach warning
When your vehicle is too close to a vehicle ahead, and sufficient automatic
deceleration via the cruise control is not possible, the display
will flash and the buzzer will sound to alert the driver. An example of
this would be if another driver cuts in front of you while you are following
a vehi ...
Transmission Range Sensor Circuit Malfunction (PRNDL Input)
DESCRIPTION
The park/neutral position switch detects the shift lever position and sends
signals to the ECM.
HINT:
After confirming DTC P0705, use the intelligent tester to confirm the PNP
switch signal in the ALL menu
(to reach the ALL menu: DIAGNOSIS / ENHANCED OBD II / DATA LIST / ...
Catalyst System Efficiency Below Threshold
DTC P0420 Catalyst System Efficiency Below Threshold
(Bank 1)
DTC P0430 Catalyst System Efficiency Below Threshold
(Bank 2)
MONITOR DESCRIPTION
The ECM uses the sensors mounted in front of and behind the three-way
catalyst (TWC) to monitor its
efficiency. The first sensor, an Air Fuel ratio ...