DESCRIPTION
The cruise control main switch operates 8 functions: SET, - (COAST), TAP-DOWN, RES (RESUME), + (ACCEL), TAP-UP, CANCEL, and MODE. The SET, TAP-DOWN, and - (COAST) functions, and the RES (RESUME), TAP-UP, and + (ACCEL) functions are operated with the same switch. The cruise control main switch is an automatic return type switch which turns on only while operating it in the direction of each arrow and turns off after releasing it. The internal contact point of the cruise control main switch is turned on with the switch operation. The ECM then reads the voltage value that has been changed by the switch operation to control MODE, SET, - (COAST), RES (RESUME), + (ACCEL), and CANCEL. The dynamic laser cruise control system has two cruise control modes: the constant speed control mode and vehicle-to-vehicle distance control mode.
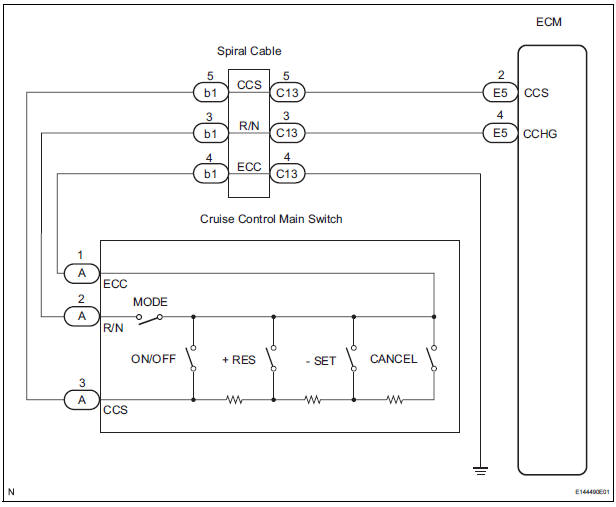
WIRING DIAGRAM

INSPECTION PROCEDURE
1 READ VALUE OF INTELLIGENT TESTER

ECM (Cruise control):

OK: When the cruise control main switch is operated, the display changes as shown above.
Result

2 INSPECT CRUISE CONTROL MAIN SWITCH

Standard resistance

3 INSPECT HARNESS AND CONNECTOR (CRUISE CONTROL MAIN SWITCH - SPIRAL CABLE)

Standard resistance

4 INSPECT SPIRAL CABLE
NOTICE: The spiral cable is an important part of the SRS airbag system. Incorrect removal or installation of the spiral cable may prevent the airbag from deploying. Be sure to read the page shown in the brackets.
HINT:

Standard resistance

HINT: The spiral cable makes a maximum of approximately 5 rotations
5 CHECK HARNESS AND CONNECTOR (SPIRAL CABLE - ECM)

Standard resistance

REPLACE ECM
Lost Communication with Radar Sensor
Distance Control ECU Power Source CircuitInstallation
1. INSTALL NO.1 NAVIGATION BRACKET
Install the No.1 navigation bracket with the 4
screws.
2. INSTALL NO.2 NAVIGATION BRACKET
Install the No.2 navigation bracket with the 4
screws.
3. INSTALL INSTRUMENT CLUSTER FINISH PANEL UPPER
Install the instrum ...
Engine Coolant Temperature / Intake Air Temperature Correlation
DESCRIPTION
The ECM calculates the difference between the readings of the coolant
temperature sensor and intake air
temperature sensor. If the difference is greater than 20°C (68°F), the ECM will
judge this as a malfunction
and will set this DTC.
HINT:
Waiting is required t ...
Short to B+ in Door System Communication
Bus Malfunction/ Short to GND in Door System Communication
Bus Malfunction
DTC B1214 Short to B+ in Door System Communication
Bus Malfunction
DTC B1215 Short to GND in Door System Communication
Bus Malfunction
DESCRIPTION
DTCs B1214 and B1215 are output when a short to +B or the body ground occurs
on the communication
bus. Detecting this condition disables all the ...