DESCRIPTION
The Multiplex network body ECU detects the condition of the door courtesy switch assembly.
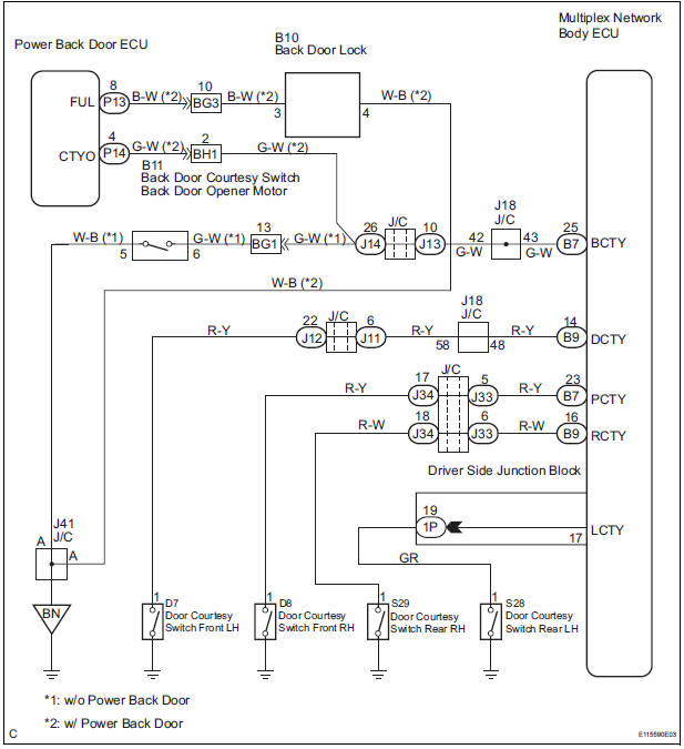
WIRING DIAGRAM

INSPECTION PROCEDURE
1 READ VALUE OF INTELLIGENT TESTER
BODY NO.1:

BACK DOOR:

2 INSPECT COURTESY LIGHT SWITCH
3 INSPECT BACK DOOR LOCK ASSEMBLY
4 CHECK HARNESS AND CONNECTOR


Resistance

5 INSPECT INSTRUMENT PANEL JUNCTION BLOCK ASSEMBLY (BACK DOOR COURTESY LIGHT SWITCH CIRCUIT)

Voltage

6 CONFIRM VEHICLE TYPE
A: w/o Power back door
B: w/ Power back door
7 INSPECT POWER BACK DOOR SYSTEM
REPAIR OR REPLACE HARNESS OR CONNECTOR
Automatic Light Control Sensor Circuit
Door LOCK Position CircuitAdjusting the set speed
To change the set speed, operate the lever until the desired set speed
is obtained.
Increases the speed
Decreases the speed
Fine adjustment: Momentarily
move the lever in the desired direction.
Large adjustment: Hold the lever in
the desired direction.
The set speed will be incre ...
Slide Door Closer LH does not Operate
DESCRIPTION
The slide door ECU LH controls the slide door closer. In response to the
output signals from the switches
in the slide door lock, the slide door closer drives the closer motor.
HINT:
The slide door closer system operates regardless of the power slide door main
switch ON / OFF.
W ...
Installation
1. INSTALL INTEGRATION CONTROL AND PANEL
ASSEMBLY
2. INSTALL RADIO RECEIVER WITH BRACKET (w/
Navigation System)
3. INSTALL RADIO RECEIVER WITH BRACKET (w/o
Navigation System)
4. INSTALL INSTRUMENT CLUSTER FINISH PANEL
GARNISH
5. INSTALL INSTRUMENT CLUSTER FINISH PANEL
ASSEMBLY CENTER
6. IN ...