ON-VEHICLE INSPECTION
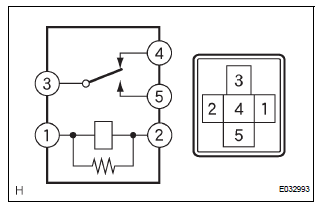
1. INSPECT REAR HEATER RELAY

(a) Remove the rear heater relay.
(b) Measure the resistance according to the value(s) in the table below.
Standard resistance 
If the resistance is not as specified, replace the rear heater relay.
Heater relay
Air conditioning control assemblyMass or Volume Air Flow Circuit/ Mass or Volume Air Flow Circuit Low Input/
Mass or Volume Air Flow Circuit High Input
DESCRIPTION
The Mass Air Flow (MAF) meter is a sensor that measures the amount of air
flowing through the throttle
valve. The ECM uses this information to determine the fuel injection time and to
provide appropriate airfuel
ratio. Inside the MAF meter, there is a heated platinum wire which is ...
Lock Switch Circuit
DESCRIPTION
Each of the left and right seats has lock switches that detect the lock
condition of the seat legs to the floor
when the seat is in the original or folded-down state. If any of the lock
switches detect an unlock condition,
the 3rd SEAT indicator on the combination meter will come ...
High mounted stop light assembly
COMPONENTS
REMOVAL
1. REMOVE BACK DOOR GARNISH CENTER (w/ Rear Spoiler)
2. REMOVE REAR SPOILER COVER (w/ Rear Spoiler)
3. REMOVE CENTER STOP LIGHT ASSEMBLY
w/o Rear spoiler:
Disconnect the connector and remove the 2
screws and the center stop light assembly.
...