Parts location

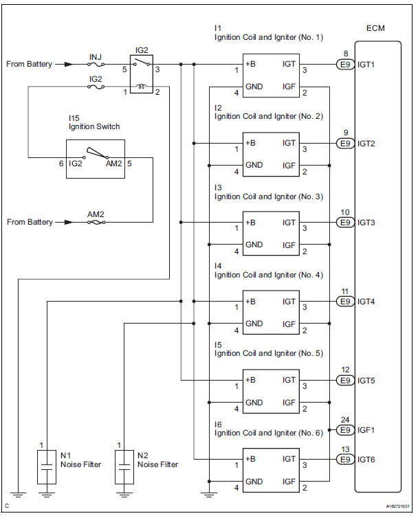
System diagram

Engine
Ignition coil and spark plugIntake Air Temperature Circuit/ Intake Air Temperature Circuit Low Input/
Intake Air Temperature Circuit High Input
DTC P0110 Intake Air Temperature Circuit
DTC P0112 Intake Air Temperature Circuit Low Input
DTC P0113 Intake Air Temperature Circuit High Input
DESCRIPTION
The Intake Air Temperature (IAT) sensor, mounted on the Mass Air Flow (MAF)
meter, monitors the IAT.
The IAT sensor has a built-in ther ...
Cellular Phone Registration Failure, Phone Directory Transfer Failure
INSPECTION PROCEDURE
1 CHECK CURRENT CONDITIONS
Proceed to the next step according to the table below.
RESULT
2 CHECK USING ANOTHER CELLULAR PHONE
Check if the system functions using another Bluetooth
compatible cellular phone.
HINT:
Confirm that either the same or a di ...
Mute Signal Circuit between Radio Receiver and Stereo Component
Amplifier
DESCRIPTION
This circuit sends a signal to the stereo component amplifier to mute noise.
Because of that, the noise
produced by changing the sound source ceases.
If there is an open in the circuit, noise can be heard from the speakers when
changing the sound source.
If there is a short i ...