DTC B1423/23 Pressure Sensor Circuit
DESCRIPTION
This DTC is output when refrigerant pressure on the high pressure side is 
extremely low (0.19 MPa (2.0
kgf/cm2, 28 psi) or less) or extremely high (3.14 MPa (32.0 kgf/cm2, 455 psi) or 
more). The pressure
sensor, which is installed on the pipe of the high pressure side to detect 
refrigerant pressure, outputs a
refrigerant pressure signal to the A/C amplifier. The A/C amplifier converts 
this signal to pressure
according to the sensor characteristics to control the compressor.

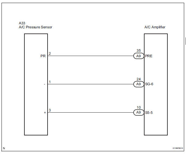
WIRING DIAGRAM

INSPECTION PROCEDURE
1 CHECK HARNESS AND CONNECTOR (POWER SOURCE CIRCUIT)

(a) Disconnect the connector from the A/C pressure sensor.
(b) Measure the voltage according to the value(s) in the table below.
Standard voltage 


2 CHECK HARNESS AND CONNECTOR (GROUND CIRCUIT)

(a) Measure the resistance according to the value(s) in the table below.
Standard resistance


3 INSPECT A/C PRESSURE SENSOR (SENSOR SIGNAL CIRCUIT)
(a) Reconnect the connector to the A/C pressure sensor.

(b) Remove the A/C amplifier with connectors still connected.
(c) Measure the voltage according to the value(s) in the table below.
Standard voltage 
HINT: If the measured voltage is not within the normal range, there may be a malfunction in the A/C amplifier, A/C pressure sensor, or wire harness. It is also possible that the amount of refrigerant may not be appropriate.


4 INSPECT A/C PRESSURE SENSOR (SENSOR SIGNAL CIRCUIT)
(a) Measure the voltage when the following conditions are
satisfied. 
NOTICE:
HINT: When the outside air temperature is low (below -1.5°C (29.3°F)), the compressor stops due to operation of the ambient temperature sensor and the evaporator temperature sensor to prevent the evaporator from freezing. In this case, perform the inspection in a warm indoor environment.

(1) Measure the voltage according to the value(s) in the table below.
Standard voltage 
Result 


REPLACE A/C AMPLIFIER
5 CHECK HARNESS AND CONNECTOR (A/C AMPLIFIER - A/C PRESSURE SENSOR)

(a) Disconnect the connector from the A/C amplifier.

(b) Measure the resistance according to the value(s) in the table below.
Standard resistance 


REPLACE A/C AMPLIFIER
6 CHECK HARNESS AND CONNECTOR (A/C AMPLIFIER - A/C PRESSURE SENSOR)

(a) Disconnect the connector from the A/C amplifier.

(b) Measure the resistance according to the value(s) in the table below.
Standard resistance


REPLACE A/C AMPLIFIER
7 CHECK HARNESS AND CONNECTOR (A/C AMPLIFIER - A/C PRESSURE SENSOR)

(a) Disconnect the connector from the A/C amplifier.

(b) Measure the resistance according to the value(s) in the table below.
Standard resistance 


8 CHECK FOR A/C SYSTEM LEAK
(a) Install the manifold gauge set.
(b) Recover the refrigerant from the A/C system using a refrigerant recovery unit.
(c) Evacuate the A/C system and check that vacuum can be maintained in it.
OK: Vacuum can be maintained in the A/C system.
HINT: If vacuum cannot be maintained in the A/C system, refrigerant may be leaking from it. In this case, it is necessary to repair or replace the leaking part of the A/C system.


9 CHARGE REFRIGERANT
(a) Add an appropriate amount of refrigerant (See page AC- 173).

10 RECHECK DTC
(a) Recheck for the DTC when the following conditions are
satisfied.

NOTICE: If refrigerant pressure on the high pressure side becomes high, the DTC will be set. It is necessary to measure the voltage for a certain amount of time (approximately 10 minutes) because the DTC may be set after the A/C operates for a while.
HINT: When the outside air temperature is low (below -1.5°C (29.3°F)), the compressor stops due to operation of the ambient temperature sensor and the evaporator temperature sensor to prevent the evaporator from freezing. In this case, perform the inspection in a warm indoor environment.
Result 
NOTICE: If the DTC was set due to an insufficient or excessive amount of refrigerant, the problem may have been solved after performing the previous step. However, the root cause of insufficient refrigerant may be refrigerant leaks. The root cause of excessive refrigerant may be adding refrigerant when the level was insufficient. Therefore, identify and repair the area where refrigerant leaks from as necessary.


11 INSPECT A/C PRESSURE SENSOR
(a) Install the manifold gauge set.
(b) Disconnect the connector from the A/C pressure sensor.

(c) Connect the three 1.5 V dry cell batteries' positive (+) lead to terminal 3, and the negative (-) lead to terminal 1.
(d) Connect the voltmeter's positive (+) lead to terminal 2, and the negative (-) lead to terminal 1.
(e) Measure the voltage according to the value(s) in the table below.
Standard voltage


REPLACE A/C AMPLIFIER
12 REPAIR A/C SYSTEM LEAK
(a) Identify the area where refrigerant leaks from (See page AC-173).
(b) Repair the identified area of the A/C system.
(c) Evacuate the A/C system.

CHARGE REFRIGERANT (See page AC-173)
13 INSPECT COOLING FAN SYSTEM
(a) Check if the cooling fan operates normally (See page CO-4).


14 CHARGE REFRIGERANT
(a) Use a refrigerant recovery unit to recover refrigerant.
(b) Evacuate the A/C system.
(c) Add an appropriate amount of refrigerant (See page AC- 173).
HINT: If refrigerant is added and the system has not been properly evacuated (insufficient vacuum time), moisture in the air remaining in the system will freeze in the expansion valve, blocking the flow on the high pressure side. Therefore, in order to confirm the problem, recover the refrigerant and properly evacuate the system. Add an appropriate amount of refrigerant, and check for the DTC.

15 RECHECK DTC
(a) Recheck for the DTC when the following conditions are
satisfied. 
NOTICE: If refrigerant pressure on the high pressure side becomes high, the DTC will be set. It is necessary to measure the voltage for a certain amount of time (approximately 10 minutes) because the DTC may be set after the A/C operates for a while.
HINT:
Result 


16 REPLACE EXPANSION VALVE
(a) Replace the expansion valve with a normal one (See page AC-186).
HINT: Replace the expansion valve with a normal one because the expansion valve is either stuck or clogged.

17 CHARGE REFRIGERANT
(a) Add an appropriate amount of refrigerant (See page AC- 173).

18 RECHECK DTC
(a) Recheck for the DTC when the following conditions are
satisfied.
NOTICE: If refrigerant pressure on the high pressure side becomes high, the DTC will be set. It is necessary to measure the voltage for a certain amount of time (approximately 10 minutes) because the DTC may be set after the A/C operates for a while.
HINT:
Result 


END
 Compressor Lock Sensor Circuit
Compressor Lock Sensor Circuit Solar Sensor Circuit (Driver Side)
Solar Sensor Circuit (Driver Side)How to proceed with
troubleshooting
   HINT:
Troubleshoot in accordance with the procedures on the
following pages
1 VEHICLE BROUGHT TO WORKSHOP
2 CUSTOMER PROBLEM ANALYSIS CHECK AND SYMPTOM CHECK
3 INSPECT COMMUNICATION FUNCTION OF LARGE-SCALE MULTIPLEX
COMMUNICATION SYSTEM (BEAN)
	Use the intelligent tester to check for normal ...
   
Reassembly
   1. INSTALL BACK DOOR STOPPER LOWER
	Install the 2 stoppers with the 4 bolts.
	Torque: 7.0 N*m (71 kgf*cm, 62 in.*lbf)
2. INSTALL BACK DOOR BASE STOPPER BRACKET
	Install the 2 brackets with the 4 bolts.
	Torque: 7.0 N*m (71 kgf*cm, 62 in.*lbf)
3. INSTALL BACK DOOR WITH MOTOR LOCK ASSEMB ...
   
Short in Curtain Shield Squib LH Circuit
   DTC B1165/87 Short in Curtain Shield Squib LH Circuit
DESCRIPTION
The curtain shield squib LH circuit consists of the center airbag sensor 
assembly and the curtain shield
airbag assembly LH.
The circuit instructs the SRS to deploy when deployment conditions are met.
DTC B1165/87 is record ...