Check tire pressure warning ecu
HINT: Inspect the connectors from the back side while the connectors are connected.

(a) Disconnect the tire pressure warning antenna and receiver connector.
(b) Measure the voltage according to the value(s) in the table below.

(c) Connect the tire pressure warning antenna and receiver connector.
(d) Measure the voltage and resistance according to the value(s) in the table below. If the result is not as specified, the ECU may have a malfunction.

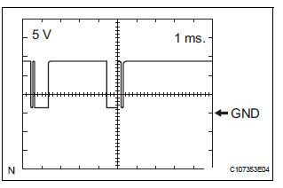
(e) Using an oscilloscope, check the waveform 1.
(1) Waveform 1 (Reference)

(2) Waveform 2 (Reference)
Problem symptoms table
Diagnosis systemAbsence of Registration Unit/ No Response for Connection Check/ Last Mode
Error/ No Response Against ON / OFF Command/ Mode Status Error/ Slave Reset
DTC 01-D5 Absence of Registration Unit
DTC 01-D8 No Response for Connection Check
DTC 01-D9 Last Mode Error
DTC 01-DA No Response Against ON / OFF Command
DTC 01-DB Mode Status Error
DTC 01-DE Slave Reset
DESCRIPTION
HINT:
*1: Even if no fault is present, this trouble code may b ...
Reassembly
1. INSTALL UNDERDRIVE CLUTCH DRUM O-RING
(a) Coat a new O-ring with ATF, and install it to the
underdrive clutch drum.
NOTICE:
Make sure that the O-ring is not twisted or
pinched.
2. INSTALL UNDERDRIVE CLUTCH PISTON SET
(a) Coat the underdrive clutch piston with ATF, and
install it t ...
DVD Error/ Excess Current/ Tray Insertion / Ejection Error
DTC 44-44 DVD Error
DTC 44-48 Excess Current
DTC 44-50 Tray Insertion / Ejection Error
DESCRIPTION
DTC No.
DTC Detecting Condition
Trouble Area
44-44
Operation error in the DVD mechanism.
Television display assembly
44-48
Excess current is ...