DTC B1154/38 Rear Airbag Sensor RH Circuit Malfunction
DESCRIPTION
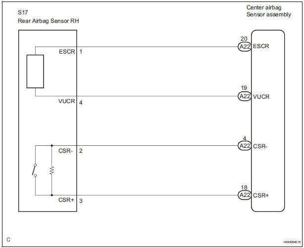
The rear airbag sensor RH circuit consists of the center airbag sensor assembly and rear airbag sensor RH.
If the center airbag sensor assembly receives signals from the rear airbag sensor RH, it judges whether or not the SRS should be activated.
DTC B1154/38 is recorded when a malfunction is detected in the rear airbag sensor RH circuit.

WIRING DIAGRAM

INSPECTION PROCEDURE
1 CHECK DTC

OK: DTC B1154/38 is not output.
HINT: Codes other than code B1154/38 may be output at this time, but they are not related to this check.
USE SIMULATION METHOD TO CHECK
2 CHECK CONNECTION OF CONNECTORS
OK: The connectors are connected.
3 CHECK FLOOR WIRE NO. 2 (OPEN)

NOTICE: Do not forcibly insert a service wire into the terminals of the connector when connecting.
Standard resistance


NOTICE: Do not forcibly insert a service wire into the terminals of the connector when connecting.
Standard resistance

4 CHECK FLOOR WIRE NO. 2 (SHORT TO B+)

Standard voltage

5 CHECK FLOOR WIRE NO. 2 (SHORT TO GROUND)

Standard resistance

6 CHECK FLOOR WIRE NO. 2 (SHORT)

Standard resistance

7 CHECK REAR AIRBAG SENSOR RH

Result

HINT: Codes other than DTC B1154/38 and B1155/39 may be output at this time, but they are not related to this check.
USE SIMULATION METHOD TO CHECK
Seat Position Airbag Sensor Circuit Malfunction
Rear Airbag Sensor LH Circuit MalfunctionOxygen Sensor Heater Control Circuit
HINT:
Sensor 2 refers to the sensor mounted behind the Three-Way Catalytic
Converter (TWC) and located
furthest from the engine assembly.
DESCRIPTION
Refer to DTC P0136 (See page ES-160).
HINT:
When any of these DTCs are set, the ECM enters fail-safe mode. The ECM turns
off the Heated ...
For vehicles equipped with srs airbag and seat belt pretensioner
The SIENNA is equipped with a Supplemental Restraint System (SRS).
CAUTION: Failure to carry out the service operations in the correct sequence could cause the SRS to unexpectedly deploy during servicing and lead to serious injury. Furthermore, if a mistake is made when servicing SRS, it is poss ...
Stereo Component Amplifier Power Source Circuit
DESCRIPTION
This circuit provides power to the stereo component amplifier.
WIRING DIAGRAM
INSPECTION PROCEDURE
1 INSPECT STEREO COMPONENT AMPLIFIER
Disconnect the stereo component amplifier connectors.
Measure the resistance according to the values in the
table below.
Standard ...