ON-VEHICLE INSPECTION
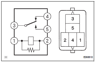
1. TAIL LIGHT RELAY

Resistance

Headlight dimmer relay
Fog light relayThrottle Actuator Control System
DESCRIPTION
The throttle actuator is operated by the ECM, and opens and closes the
throttle valve using the gears.
The opening angle of the throttle valve is detected by the Throttle Position
(TP) sensor, which is mounted
on the throttle body. The TP sensor provides feedback to the ECM ...
Disposal
HINT:
When scrapping a vehicle equipped with the SRS or
disposing of the steering pad, be sure to deploy the airbag
first in accordance with the procedure described below. If any
abnormality occurs with airbag deployment, contact the
SERVICE DEPT. of TOYOTA MOTOR SALES, U.S.A., INC.
CAUTION:
...
CD Changer Mechanical Error/ CD Insertion and Ejection Error/ CD Reading
Abnormal
DTC 63-10 CD Changer Mechanical Error
DTC 63-11 CD Insertion and Ejection Error
DTC 63-12 CD Reading Abnormal
DESCRIPTION
DTC No.
DTC Detection Condition
Trouble Area
63-10
A mechanical error in the CD changer is detected while
the CD is not being inserted ...