ON-VEHICLE INSPECTION
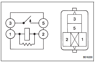
1. FOG LIGHT RELAY

Resistance

Taillight relay
Light control relayInstallation
1. INSTALL NO. 1 REAR DIFFERENTIAL SUPPORT
(a) Install the No. 1 rear differential support to the rear
differential carrier assembly with the 2 bolts and 2
nuts.
Torque: 85 N*m (867 kgf*cm, 63 ft.*lbf)
HINT:
Hold the bolt and tighten the nut.
2. INSTALL REAR DIFFERENTIAL DYNAMIC DAMPER
...
Pressure Control Solenoid "D" Electrical (Shift
Solenoid Valve SLT)
DESCRIPTION
The linear solenoid valve (SLT) controls the transmission line pressure for
smooth transmission operation
based on signals from the throttle position sensor and the vehicle speed sensor.
The ECM adjusts the
duty cycle of the SLT solenoid valve to control hydraulic line pressure co ...
Removal
1. REMOVE BACK DOOR CENTER GARNISH
Using a clip remover, disengage the 5 clips to
remove the back door center garnish.
2. REMOVE REAR SPOILER
Disconnect the center stop light connector.
Remove the 3 nuts.
Using a clip remover, disengage the 2 clips to
remove the rear s ...