INSPECTION
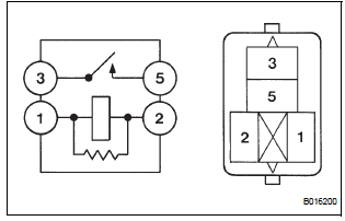
1. INSPECT AIR FUEL RATIO SENSOR RELAY

Standard resistance

If the result is not as specified, replace the relay.
Circuit opening relaySound Signal Circuit between Radio and Navigation Assembly and
Stereo Jack Adapter
DESCRIPTION
The stereo jack adapter sends an external device sound signal to the radio
and navigation assembly
through this circuit.
The sound signal that has been sent is amplified by the stereo component
amplifier and then is sent to the
speakers.
If there is an open or short in the c ...
Removal
1. Remove v-bank cover sub-assembly (see
page em-28)
2. Remove front wheel rh
3. Remove no. 1 Engine under cover (see page
em-26)
4. Remove front fender apron seal rh (see
page em-26)
5. Drain engine coolant (see page co-6)
6. Remove no. 2 Air cleaner inlet (see page em-
28)
7. Remove batt ...
How to proceed with
troubleshooting
HINT:
Use this procedure to troubleshoot the front power seat
control system.
The intelligent tester should be used in steps 3 and 5.
1 VEHICLE BROUGHT TO WORKSHOP
2 CUSTOMER PROBLEM ANALYSIS CHECK AND PROBLEM SYMPTOM CHECK
3 CHECK COMMUNICATION FUNCTION OF MULTIPLEX COMMUNI ...