DESCRIPTION
DTC output mode is set by connecting terminals TC and CG of the DLC3.
DTCs are displayed by blinking the SRS warning light.
HINT:
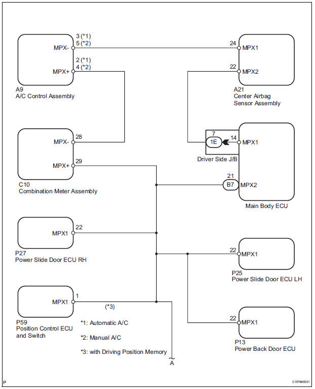
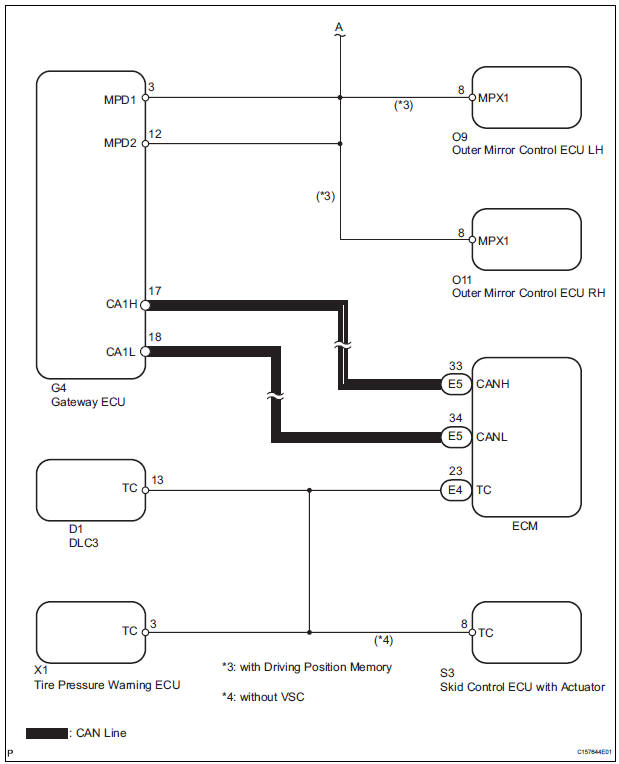
WIRING DIAGRAM


INSPECTION PROCEDURE
1 CHECK MULTIPLEX COMMUNICATION SYSTEM
HINT: The center airbag sensor assembly of this system is connected to the multiplex communication system.
Therefore, before starting troubleshooting, make sure to check that there is no trouble in the multiplex communication system.
OK: The Multiplex communication system DTC is not output.
REPAIR CIRCUITS INDICATED BY
OUTPUT
DTCS

2 CHECK CAN COMMUNICATION SYSTEM
HINT: The ECM is connected to the CAN communication system. Therefore, before starting troubleshooting, make sure to check that there is no trouble in the CAN communication system.
OK: The CAN communication system is functioning normally.
REPAIR CAN COMMUNICATION
CIRCUIT

3 CHECK WIRE HARNESS (TC OF DLC3 - TC OF ECM)

Standard resistance

REPAIR OR REPLACE WIRE
HARNESS (TC
OF DLC3 - TC OF ECM)

4 CHECK WIRE HARNESS (CG OF DLC3 - BODY GROUND)

Standard resistance

REPAIR OR REPLACE WIRE
HARNESS (CG
OF DLC3 - BODY GROUND)

5 CHECK WIRE HARNESS (TC OF DLC3 - BODY GROUND)

Standard resistance

REPAIR OR REPLACE WIRE
HARNESS OR
EACH ECU

REPLACE CENTER AIRBAG SENSOR ASSEMBLY
SRS Warning Light does not Come ONSRS Warning Light Remains ON
DESCRIPTION
The SRS warning light is located on the combination meter assembly.
When the SRS is normal, the SRS warning light comes on for approximately 6
seconds after the ignition
switch is turned from the LOCK position to ON position, and then goes off
automatically.
If there is a mal ...
Cranking Holding Function Circuit
DESCRIPTION
The system detects the ignition switch's starting signal (STSW) and then
supplies current to the starter
until the ECM judges that the engine has started successfully. The purpose is to
reduce the holding time
of the ignition key.
WIRING DIAGRAM
Refer to DTC P0617.
INSPECTI ...
Reassembly
1. INSTALL TRANSFER DRIVEN PINION REAR BEARING
(a) Using SST(s) and a press, install the transfer driven
pinion rear bearing outer race to the transfer case.
SST 09950-60010 (09951-00620), 09950-70010
(09951-07150)
NOTICE:
Place something like wood blocks under the
case to keep its level. ...