DESCRIPTION
DTC output mode is set by connecting terminals TC and CG of the DLC3.
DTCs are displayed by blinking the SRS warning light.
HINT:
WIRING DIAGRAM


INSPECTION PROCEDURE
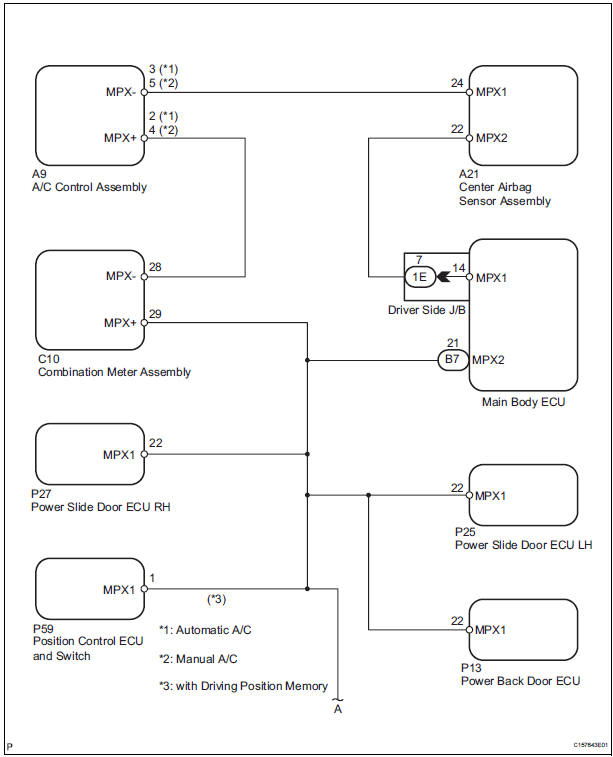
1 CHECK MULTIPLEX COMMUNICATION SYSTEM
HINT: The center airbag sensor assembly of this system is connected to the multiplex communication system.
Therefore, before starting troubleshooting, make sure to check that there is no trouble in the multiplex communication system.
OK: The Multiplex communication system DTC is not output.
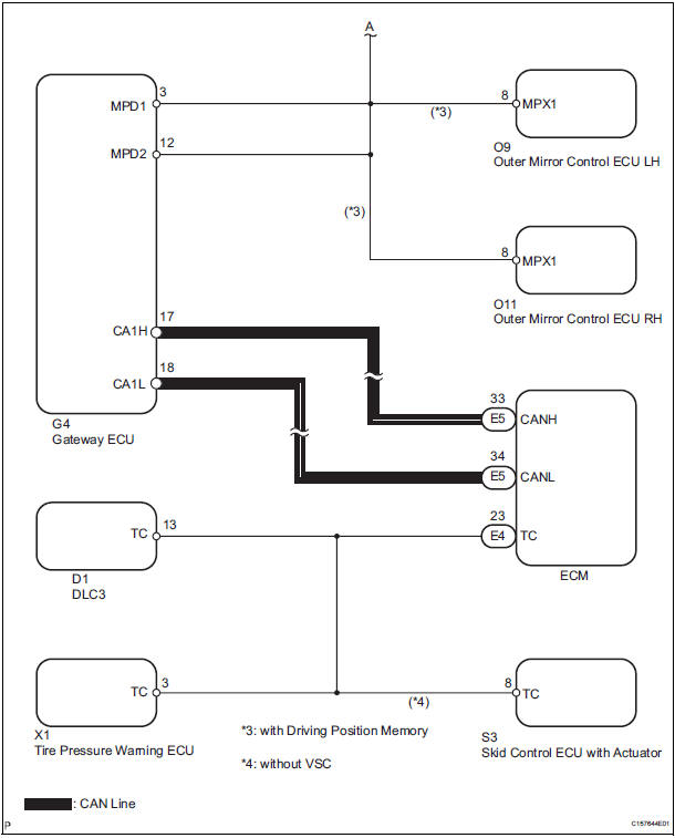
2 CHECK CAN COMMUNICATION SYSTEM
HINT: The ECM is connected to the CAN communication system. Therefore, before starting troubleshooting, make sure to check that there is no trouble in the CAN communication system.
OK: The CAN communication system is functioning normally.
3 CHECK WIRE HARNESS (TC OF DLC3 - TC OF ECM)

Standard resistance

4 CHECK WIRE HARNESS (CG OF DLC3 - BODY GROUND)

Standard resistance

5 CHECK WIRE HARNESS (TC OF DLC3 - BODY GROUND)

Standard resistance

REPLACE CENTER AIRBAG SENSOR ASSEMBLY
SRS Warning Light does not Come ONHow to proceed with
troubleshooting
HINT:
The intelligent tester can be used in steps 2, 3, 4, 6 and 9.
1 VEHICLE BROUGHT TO WORKSHOP
2 CONNECT INTELLIGENT TESTER TO DLC3
HINT:
If the display indicates a communication fault in the tester,
inspect the DLC3.
3 CHECK DTC AND FREEZE FRAME DATA
Check for DTC(s) and freeze frame ...
Receiver Error
DTC C2176/76 Receiver Error
DESCRIPTION
The signals are transmitted to the tire pressure warning antenna and receiver
on the body as radio waves
and then sent to the tire pressure warning ECU.
WIRING DIAGRAM
INSPECTION PROCEDURE
NOTICE:
When replacing the tire pressure warning EC ...
Air Outlet Damper Position Sensor Circuit
DESCRIPTION
This sensor detects the position of the air outlet control servo motor and
sends the appropriate signals to
the A/C amplifier. The position sensor is built in the air outlet control servo
motor. The position sensor's
resistance changes as the air outlet control servo motor arm ...