1. REMOVE BLOWER ASSEMBLY

(a) Remove the 2 screws and the blower assembly.
2. REMOVE MODE DAMPER SERVO SUB-ASSEMBLY

(a) Remove the 3 screws and the mode damper servo sub-assembly.
3. REMOVE AIRMIX DAMPER SERVO SUB-ASSEMBLY

(a) Remove the 3 screws and the airmix damper servo sub-assembly.
4. REMOVE NO. 2 AIRMIX DAMPER SERVO SUBASSEMBLY (for Automatic Air Conditioning System)

(a) Remove the 3 screws and the No. 2 airmix damper servo sub-assembly.
5. REMOVE NO. 1 HEATER CLAMP

(a) Release the 4 claw fittings and remove the No. 1 heater clamp.
6. REMOVE NO. 3 AIR CONDITIONING RADIATOR BRACKET

(a) Remove the screw and the No. 3 air conditioning radiator bracket.
7. REMOVE HEATER RADIATOR UNIT SUB-ASSEMBLY

(a) Remove the heater radiator unit sub-assembly from the air conditioning radiator assembly.
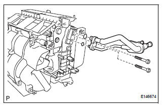
8. REMOVE AIR CONDITIONING TUBE ASSEMBLY

(a) Using a hexagon wrench 4.0 mm (0.15 in.), remove the 2 hexagon bolts and the air conditioning tube assembly.
(b) Remove the 2 O-rings from the air conditioning tube assembly.
9. REMOVE COOLER EXPANSION VALVE

(a) Remove the cooler expansion valve from the No. 1 cooler evaporator sub-assembly.

(b) Remove the 2 O-rings from the No. 1 cooler evaporator sub-assembly.
10. REMOVE NO. 2 AIR CONDITIONING RADIATOR BRACKET

(a) Remove the 2 screws and the No. 2 air conditioning radiator bracket.
11. REMOVE NO. 1 AIR CONDITIONING RADIATOR BRACKET

(a) Remove the 3 screws and the No .1 air conditioning radiator bracket.
12. REMOVE NO. 4 AIR CONDITIONING RADIATOR BRACKET

(a) Remove the No. 4 air conditioning radiator bracket.
13. REMOVE NO. 1 AIR DUCT

(a) Release the 4 claw fittings and remove the No. 1 air duct.
14. REMOVE NO. 1 COOLER THERMISTOR

(a) Disengage the clamp.
(b) Remove the 2 screws.

(c) Remove the 11 screws.

(d) Remove the No. 1 cooler thermistor.
Removal
ReassemblyNo Answer-Back (Hazard Warning Light and Wireless Door Lock
Buzzer)
DESCRIPTION
If there is no answer-back of the hazard light signal and the wireless door lock
buzzer although the
wireless control function is operating normally, there might be a malfunction in
the hazard light signal and
the wireless door lock buzzer signal which are output from the multiple ...
Network gateway ECU
COMPONENTS
REMOVAL
1. REMOVE FRONT DOOR SCUFF PLATE LH
2. REMOVE COWL SIDE TRIM BOARD LH
3. REMOVE INSTRUMENT PANEL FINISH PANEL
LOWER LH (See page IP-6)
4. REMOVE INSTRUMENT PANEL SAFETY PAD
INSERT NO. 1 (See page IP-6)
5. REMOVE CLEARANCE WARNING ECU ASSEMBLY
(See page PM-15)
6. REMOVE ...
DVD Player Mechanical Error/ DVD Insertion and Ejection Error/ DVD Reading
Abnormal
DTC 44-10 DVD Player Mechanical Error
DTC 44-11 DVD Insertion and Ejection Error
DTC 44-12 DVD Reading Abnormal
DESCRIPTION
TC No.
DTC Detection Condition
Trouble Area
44-10
A mechanical error in the DVD player is detected while
the DVD is not being insert ...