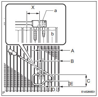
1. INSTALL NO. 1 COOLER THERMISTOR

(a) Install the No. 1 cooler thermistor as shown in the
illustration. 
NOTICE:

(b) Install the 11 screws.

(c) Install the 2 screws.
(d) Engage the clamp.
2. INSTALL NO. 1 AIR DUCT

(a) Engage the 4 claws and install the No. 1 air duct.
3. INSTALL NO. 4 AIR CONDITIONING RADIATOR BRACKET

4. INSTALL NO. 1 AIR CONDITIONING RADIATOR BRACKET

(a) Install the No. 1 air conditioning radiator bracket with the 3 screws.
5. INSTALL NO. 2 AIR CONDITIONING RADIATOR BRACKET

(a) Install the No. 2 air conditioning radiator bracket with the 2 screws.
6. INSTALL COOLER EXPANSION VALVE

(a) Sufficiently apply compressor oil to 2 new O-rings and the fitting surface of the No. 1 cooler evaporator sub-assembly.
Compressor oil: ND-OIL 8 or equivalent

(b) Install the cooler expansion valve to the No. 1 cooler evaporator sub-assembly.
7. INSTALL AIR CONDITIONING TUBE ASSEMBLY

(a) Sufficiently apply compressor oil to 2 new O-rings and the fitting surface of the air conditioning tube assembly.
Compressor oil: ND-OIL 8 or equivalent
(b) Install the 2 O-rings on the air conditioning tube assembly.
(c) Using a hexagon wrench 4.0 mm (0.15 in.), install the air conditioning tube assembly with the 2 hexagon bolts.
Torque: 3.5 N*m (35 kgf*cm, 30 in.*lbf)
8. INSTALL HEATER RADIATOR UNIT SUB-ASSEMBLY

(a) Install the heater radiator unit sub-assembly to the air conditioning radiator assembly.
9. INSTALL NO. 3 AIR CONDITIONING RADIATOR BRACKET

(a) Install the No. 3 air conditioning radiator bracket with the screw.
10. INSTALL NO. 1 HEATER CLAMP

(a) Engage the 4 claws and install the No. 1 heater clamp.
11. INSTALL NO. 2 AIRMIX DAMPER SERVO SUBASSEMBLY (for Automatic Air Conditioning System)

(a) Install the No. 2 airmix damper servo sub-assembly with the 3 screws.
12. INSTALL AIRMIX DAMPER SERVO SUB-ASSEMBLY

(a) Install the airmix damper servo sub-assembly with the 3 screws.
13. INSTALL MODE DAMPER SERVO SUB-ASSEMBLY

(a) Install the mode damper servo sub-assembly with the 3 screws.
14. INSTALL BLOWER ASSEMBLY

(a) Install the blower assembly with the 2 screws.
Disassembly
InstallationMute Signal Circuit between Radio Receiver and Television Display
Assembly
DESCRIPTION
The radio receiver controls the volume according to the MUTE signal from the
television display
assembly.
The MUTE signal is sent to reduce noise and a popping sound generated when
switching the mode, etc.
If there is an open in the circuit, noise can be heard from the speake ...
Customize parameters
HINT:
The following item can be customized.
NOTICE:
After confirming whether the items requested by the
customer are applicable or not for customization,
perform the customize operation.
Be sure to record the current settings before
customizing.
When troubleshooting ...
Installation
1. INSTALL DISTANCE CONTROL ECU ASSEMBLY
Using a torque wrench, install the bolt.
Torque: 5 N*m (51 kgf*cm, 44 in.*lbf)
NOTICE:
Do not install the dropped or shocked distance
control ECU assembly.
2. INITIALIZE DISTANCE CONTROL ECU
NOTICE:
After replacing the distance control ECU ...