DESCRIPTION
When the ignition switch is turned to the ON position, the battery voltage is applied to terminal IGSW of the ECM. The ECM MREL output signal causes a current to flow to the coil, closing the contacts of the EFI relay and supplying power to terminal +B of the ECM.
If the ignition switch is turned off, the ECM holds the EFI relay ON for a maximum of 2 seconds to allow for the initial setting of the throttle valve.
WIRING DIAGRAM

INSPECTION PROCEDURE
1 INSPECT ECM (+B VOLTAGE)

Standard voltage

2 CHECK HARNESS AND CONNECTOR (ECM - BODY GROUND)

Standard resistance: Check for open

3 INSPECT ECM (IGSW VOLTAGE)

Standard voltage

4 CHECK FUSE (IGN FUSE)
Standard resistance: Below 1 Ω
5 CHECK HARNESS AND CONNECTOR (IGNITION SWITCH - ECM)

Standard resistance: Check for open

Check for short

6 INSPECT IGNITION SWITCH ASSEMBLY
7 CHECK FUSE (AM2 FUSE)

Standard resistance: Below 1 Ω
REPAIR OR REPLACE HARNESS OR CONNECTOR (IGNITION SWITCH - BATTERY)
8 INSPECT ECM (MREL VOLTAGE)

Standard voltage

9 CHECK FUSE (EFI NO.1 FUSE)

Standard resistance: Below 1 Ω
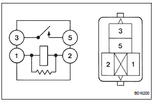
10 INSPECT RELAY (EFI RELAY)

Standard resistance

11 CHECK HARNESS AND CONNECTOR (EFI RELAY - ECM)

Standard resistance: Check for open

Check for short

12 CHECK HARNESS AND CONNECTOR (EFI RELAY - ECM)

Standard resistance: Check for open

Check for short

13 CHECK HARNESS AND CONNECTOR (EFI RELAY - BODY GROUND)

Standard resistance : Check for open

REPAIR OR REPLACE HARNESS OR CONNECTOR (EFI RELAY - BATTERY)
EVAP System
VC Output CircuitAbsence of Registration Unit/ No Response for Connection Check/ Last Mode
Error/ No Response Against ON / OFF Command/ Mode Status Error/ Slave Reset
DESCRIPTION
HINT:
*1: Even if no fault is present, this trouble code may be stored
depending on the battery condition or
engine start voltage.
*2: If the power connector is disconnected after the engine
starts, this code is stored after 180 seconds.
*3: If the ...
Noise Occurs
INSPECTION PROCEDURE
1 NOISE CONDITION
Check in which direction the noise comes from (front left
or right, or rear left or right).
Check in which direction the noise comes from.
OK:
The location of the noise source can be
determined
2 CHECK SPEAKERS
Check the installatio ...
Problem symptoms table
Use the table below to find the cause of the problem. The
numbers indicate the priority of the likely cause of the
problem. Check each part in order. If necessary, replace
these parts.
Front A/C:
Rear A/C:
...