Toyota Sienna Service Manual: VC Output Circuit
DESCRIPTION
The ECM constantly uses 5 V from the battery voltages supplied to the +B (BATT)
terminal to operate the
microprocessor. The ECM also provides this power to the sensors through the VC
output circuit.
When the VC circuit is short-circuited, the microprocessor in the ECM and
sensors that are supplied
power through the VC circuit are inactivated because the power is not supplied
from the VC circuit. Under
this condition, the system does not start up and the MIL does not illuminate
even if the system
malfunctions.
HINT:
Under normal conditions, the MIL is illuminated for several seconds when the
ignition switch is first turned
to the ON position. The MIL goes off when the engine is started.

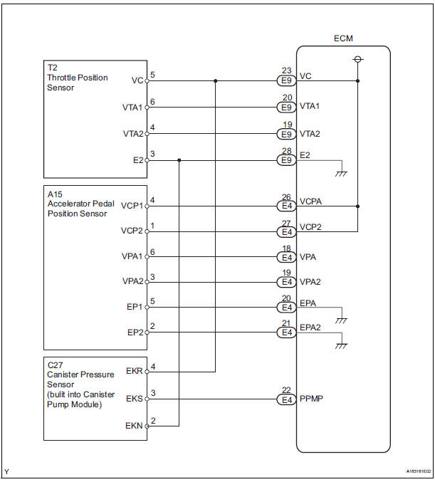
WIRING DIAGRAM


INSPECTION PROCEDURE
1 CHECK MIL
- Check that the Malfunction Indicator Lamp (MIL) lights
up when turning the ignition switch to the ON position.
OK:
MIL lights up.
2 CHECK CONNECTION BETWEEN INTELLIGENT TESTER AND ECM
- Connect the intelligent tester to the DLC3.
- Turn the ignition switch to the ON position and turn the
tester on.
- Check the communication between the tester and ECM.
Result

3 CHECK THROTTLE BODY (CHECK MIL ILLUMINATED)
- Disconnect the throttle body connector.
- Turn the ignition switch to the ON position.
- Check the MIL.
Result

- Reconnect the throttle body connector.
4 CHECK ACCELERATOR PEDAL ROD (CHECK MIL ILLUMINATED)
- Disconnect the accelerator pedal position sensor
connector.
- Turn the ignition switch to the ON position.
- Check the MIL
Result

- Reconnect the accelerator pedal position sensor
connector.
5 CHECK VVT SENSOR FOR INTAKE CAMSHAFT BANK 1 (CHECK MIL ILLUMINATED)
- Disconnect the VVT sensor for intake camshaft bank 1
connector.
- Turn the ignition switch to the ON position.
- Check the MIL.
Result

- Reconnect the VVT sensor for intake camshaft bank 1
connector.
6 CHECK VVT SENSOR FOR EXHAUST CAMSHAFT BANK 1 (CHECK MIL ILLUMINATED)
- Disconnect the VVT sensor for exhaust camshaft bank 1
connector.
- Turn the ignition switch to the ON position.
- Check the MIL.
Result

- Reconnect the VVT sensor for exhaust camshaft bank 1
connector
7 CHECK VVT SENSOR FOR INTAKE CAMSHAFT BANK 2 (CHECK MIL ILLUMINATED)
- Disconnect the VVT sensor for intake camshaft bank 2
connector.
- Turn the ignition switch to the ON position.
- Check the MIL.
Result

- Reconnect the VVT sensor for intake camshaft bank 2
connector.
8 CHECK VVT SENSOR FOR EXHAUST CAMSHAFT BANK 2 (CHECK MIL ILLUMINATED)
- Disconnect the VVT sensor for exhaust camshaft bank 2
connector.
- Turn the ignition switch to the ON position.
- Check the MIL.
Result

- Reconnect the VVT sensor for exhaust camshaft bank 2
connector.
9 CHECK CHARCOAL CANISTER ASSEMBLY (CHECK MIL ILLUMINATED)
- Disconnect the canister pump module connector.
- Turn the ignition switch to the ON position.
- Check the MIL.
Result

- Reconnect the canister pump module connector.
10 CHECK HARNESS AND CONNECTOR

- Disconnect the throttle body connector.
- Disconnect the accelerator pedal position sensor
connector.
- Disconnect the VVT sensor for intake camshaft bank 1
connector.
- Disconnect the VVT sensor for exhaust camshaft bank 1
connector.
- Disconnect the VVT sensor for intake camshaft bank 2
connector.
- Disconnect the VVT sensor for exhaust camshaft bank 2
connector.
- Disconnect the canister pump module connector.
- Disconnect the E9 and E4 ECM connectors.
- Measure the resistance according to the value(s) in the
table below.
Standard resistance (Check for short)

- Reconnect the ECM connectors.
- Reconnect the canister pump module connector.
- Reconnect the VVT sensor for exhaust camshaft bank 2
connector.
- Reconnect the VVT sensor for intake camshaft bank 2
connector.
- Reconnect the VVT sensor for exhaust camshaft bank 1
connector.
- Reconnect the VVT sensor for intake camshaft bank 1
connector.
- Reconnect the accelerator pedal position sensor
connector.
- Reconnect the throttle body connector.
REPLACE ECM
DESCRIPTION
When the ignition switch is turned to the ON position, the battery voltage is
applied to terminal IGSW of
the ECM. The ECM MREL output signal causes a current to flow to the coil,
cl ...
DESCRIPTION
The FUEL PUMP relay switches the fuel pump speed according to the engine
conditions. The fuel pump
operates when the ECM receives the starter-operating signal (STA) and
crankshaft-ro ...
Other materials:
Antenna Coil Open / Short
DTC B2784 Antenna Coil Open / Short
DESCRIPTION
The transponder key coil is built into the transponder key amplifier and
receives a key code signal from
the transponder chip in the key. This signal is amplified by the amplifier, and
output to the transponder key
ECU.
DTC No.
...
Pressure Control Solenoid "B" Electrical (Shift
Solenoid Valve SL2)
DESCRIPTION
Shifting from 1st to 5th is performed in combination with "ON" and "OFF"
operation of the shift solenoid
valves SL1, SL2, SL3, S4 and SR which are controlled by the ECM. If an open or
short circuit occurs in
either of the shift solenoid valves, the ECM cont ...
Pressure Control Solenoid "D" Performance (Shift
Solenoid Valve SLT)
SYSTEM DESCRIPTION
The linear solenoid valve (SLT) controls the transmission line pressure for
smooth transmission operation
based on signals from the throttle position sensor and the vehicle speed sensor.
The ECM adjusts the
duty ratio (*) of the SLT solenoid valve to control hydraulic line ...