DESCRIPTION
The Multiplex network body ECU controls FOG relay when signal is received from headlight dimmer switch assembly.
WIRING DIAGRAM

INSPECTION PROCEDURE
1 PERFORM ACTIVE TEST BY INTELLIGENT TESTER
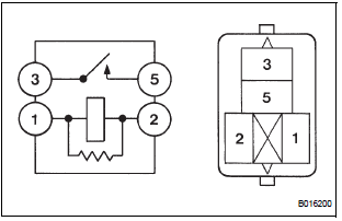
2 INSPECT FOG LIGHT RELAY

Standard

3 INSPECT INSTRUMENT PANEL JUNCTION BLOCK ASSEMBLY

Voltage

4 INSPECT INSTRUMENT PANEL JUNCTION BLOCK ASSEMBLY


Voltage

REPAIR OR REPLACE HARNESS OR CONNECTOR
DRL Relay Circuit
Light Control Switch CircuitRegistration Complete Indication Error/ Registration Demand Transmission/
Multiple Frame Incomplete
DTC 01-E0 Registration Complete Indication Error
DTC 01-E3 Registration Demand Transmission
DTC 01-E4 Multiple Frame Incomplete
DESCRIPTION
DTC No.
DTC Detection Condition
Trouble Area
01-E0
"Registration complete" signal from the master device
c ...
Short in Front Pretensioner Squib RH Circuit
DTC B0130/63 Short in Front Pretensioner Squib RH Circuit
DESCRIPTION
The front pretensioner squib RH circuit consists of the center airbag sensor
assembly and the front seat
outer belt assembly RH.
This circuit instructs the SRS to deploy when deployment conditions are met.
DTC B0130/63 ...
Installation
1. INSTALL FRONT SHOCK ABSORBER WITH COIL SPRING
(a) Install the front shock absorber with coil spring as
shown in the illustration.
(b) Install the 3 nuts to the upper side of the front shock
absorber with coil spring.
Torque: 80 N*m (816 kgf*cm, 59 ft.*lbf)
(c) Install the 2 bolt ...