DESCRIPTION
The Multiplex network body ECU controls the DRL No.2 relay
WIRING DIAGRAM

INSPECTION PROCEDURE
1 PERFORM ACTIVE TEST BY INTELLIGENT TESTER
BODY NO.1:

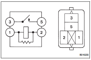
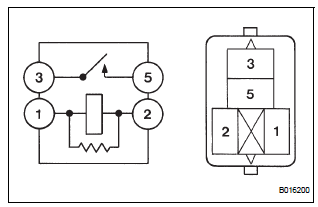
2 INSPECT DRL NO.2 RELAY

Resistance

3 CHECK HARNESS AND CONNECTOR (POWER SOURCE)

Voltage

4 INSPECT INSTRUMENT PANEL JUNCTION BLOCK ASSEMBLY

Voltage


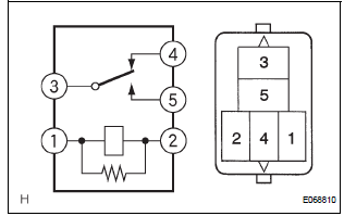
5 INSPECT RELAY (DRL NO.3, DRL NO.4)

Resistance


Resistance

6 INSPECT DAYTIME RUNNING LIGHT RESISTER

Resistance

REPAIR OR REPLACE HARNESS OR CONNECTOR
Headlight Relay Circuit
Front Fog Light CircuitReassembly
1. INSTALL TRANSFER DRIVEN PINION REAR BEARING
(a) Using SST(s) and a press, install the transfer driven
pinion rear bearing outer race to the transfer case.
SST 09950-60010 (09951-00620), 09950-70010
(09951-07150)
NOTICE:
Place something like wood blocks under the
case to keep its level. ...
Short in Driver Side Squib 2nd Step Circuit
DTC B1180/17 Short in Driver Side Squib 2nd Step Circuit
DESCRIPTION
The driver side squib 2nd step circuit consists of the center airbag sensor
assembly, the spiral cable and
the steering pad.
The circuit instructs the SRS to deploy when deployment conditions are met.
DTC B1180/17 is rec ...
Transmission Fluid Temperature Sensor "A"
Performance
DESCRIPTION
The ATF (Automatic Transmission Fluid) temperature sensor converts the fluid
temperature into a
resistance value which is input into the ECM.
MONITOR DESCRIPTION
The ATF temperature sensor converts the ATF temperature to an electrical
resistance value. Based on
the resis ...