ON-VEHICLE INSPECTION
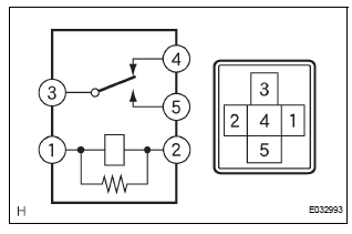
1. INSPECT REAR HEATER RELAY

(a) Remove the rear heater relay.
(b) Measure the resistance according to the value(s) in the table below.
Standard resistance 
If the resistance is not as specified, replace the rear heater relay.
Heater relay
Air conditioning control assemblyRear Occupant Classification Sensor RH Circuit
Malfunction
DTC B1783 Rear Occupant Classification Sensor RH Circuit
Malfunction
DESCRIPTION
The rear occupant classification sensor RH circuit consists of the occupant
classification ECU and the
rear occupant classification sensor RH.
DTC B1783 is recorded when a malfunction is detected in the rear oc ...
Disassembly
1. Remove repair service starter kit
(a) Remove the nut and disconnect the lead wire from
the repair service starter kit.
(b) Remove the 2 screws which are used to secure the
repair service starter kit to the repair service starter
kit.
(c) Remove the repair service starter kit.
( ...
Transmission Error
DTC 01-DC Transmission Error
DESCRIPTION
HINT:
*1: This code may be stored if the engine is started, idled for 60 seconds and
then started again.
NOTICE:
Before starting troubleshooting, be sure to clear DTCs to erase
codes stored due to the
reasons described in the HINT ...