ON-VEHICLE INSPECTION
1. INSPECT HEATER RELAY

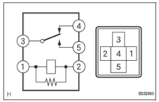
(a) Remove the heater relay.
(b) Measure the resistance according to the value(s) in the table below.
Standard resistance 
If the resistance is not as specified, replace the heater relay.
Magnetic clutch relay
Heater relay (for rear air conditioning system)MIL Circuit
DESCRIPTION
The MIL (Malfunction Indicator Lamp) is used to indicate vehicle malfunctions
detected by the ECM.
When the ignition switch is turned to the ON position, power is supplied to the
MIL circuit, and the ECM
provides the circuit ground which illuminates the MIL.
The MIL operation ...
Short to B+ in Door System Communication
Bus Malfunction/ Short to GND in Door System Communication
Bus Malfunction
DTC B1214 Short to B+ in Door System Communication
Bus Malfunction
DTC B1215 Short to GND in Door System Communication
Bus Malfunction
DESCRIPTION
DTCs B1214 and B1215 are output when a short to +B or the body ground occurs
on the communication
bus. Detecting this condition disables all the ...
Occupant Classification ECU Malfunction
DTC B1795 Occupant Classification ECU Malfunction
DESCRIPTION
DTC B1795 is recorded when a malfunction is detected in the occupant
classification ECU.
Troubleshoot DTC B1771 first when the DTCs B1771 and B1795 are output
simultaneously.
WIRING DIAGRAM
INSPECTION PROCEDURE
1 CHECK DTC ...