DESCRIPTION
The Multiplex network body ECU receives the ACC and IG signals from the ignition switch.
WIRING DIAGRAM

INSPECTION PROCEDURE
1 READ VALUE OF INTELLIGENT TESTER
BODY NO.1:

2 INSPECT FUSE
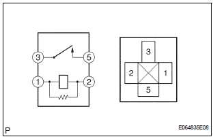
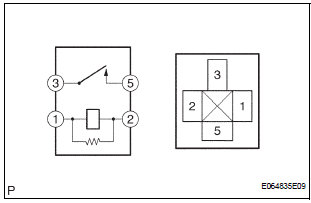
3 INSPECT RELAY

Resistance


Resistance

4 INSPECT INSTRUMENT PANEL JUNCTION BLOCK ASSEMBLY (ACC, IG)
Voltage


5 INSPECT INSTRUMENT PANEL JUNCTION BLOCK ASSEMBLY (+B)
Voltage


6 INSPECT INSTRUMENT PANEL JUNCTION BLOCK ASSEMBLY
Voltage


REPAIR OR REPLACE HARNESS OR CONNECTOR
Light Sensor Circuit Malfunction
Headlight Relay CircuitTRAC OFF Indicator Light does not Come ON
DESCRIPTION
The skid control ECU is connected to the combination meter via CAN and
multiplex communications.
When the traction OFF switch is turned on, the TRAC OFF indicator light will
come on (for 2WD model).
WIRING DIAGRAM
Refer to TRAC OFF Indicator Light Remains ON (See page BC-157).
...
Canceling the rear moon roof operation (vehicles with the rear
moon roof)
Press the switch to disable the
rear moon roof operation from the
rear seat.
Pressing the switch again will
enable the operation again.
The moon roof can be operated when
The engine switch is in the “ON” position (vehicles without a smart key
system)
or IGNITION ON mode (vehicles ...
Audio terminal
COMPONENTS
REMOVAL
1. REMOVE INSTRUMENT CLUSTER CENTER NO. 2 FINISH PANEL
Using a moulding remover, disengage the 3 clips.
Disconnect the connector and remove the
instrument cluster center No. 2 finish panel.
2. REMOVE STEREO JACK ADAPTER ASSEMBLY
Disenga ...