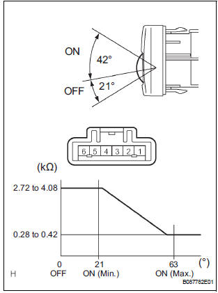
1. INSPECT SEAT HEATER SWITCH LH

Resistance

If the result is not as specified, replace the switch.
HINT: As the dial is being turned, the resistance changes gradually.

OK

If the result is not as specified, replace the switch.

OK

If the result is not as specified, replace the seat heater switch or bulb.
2. INSPECT SEAT HEATER SWITCH RH

Resistance

If the result is not as specified, replace the switch.
HINT: As the dial is being turned, the resistance changes gradually.

OK

If the result is not as specified, replace the switch.

OK

If the result is not as specified, replace the seat heater switch or bulb.
3. INSPECT FRONT SEAT BACK HEATER ASSEMBLY LH

Resistance

If the result is not as specified, replace the seatback heater assembly.
4. INSPECT FRONT SEAT BACK HEATER ASSEMBLY RH

Resistance

If the result is not as specified, replace the seatback heater assembly.
5. INSPECT FRONT SEAT CUSHION HEATER ASSEMBLY LH

Resistance

If the result is not as specified, replace the seat cushion heater assembly.
6. INSPECT FRONT SEAT CUSHION HEATER ASSEMBLY RH

Resistance

If the result is not as specified, replace the seat cushion heater assembly.
On-vehicle inspection
Front seat assembly (for Flat Type)Programming the HomeLink® (for U.S.A. owners)
The HomeLink® compatible transceiver in your vehicle has 3 buttons
which can be programmed to operate 3 different devices. Refer to the
programming method below appropriate for the device.
Indicator light
Buttons
Programming the HomeLink®
Point the remote control for
the d ...
Half Connection in Center Airbag Sensor
Assembly Connectors
DTC B1135/24 Half Connection in Center Airbag Sensor
Assembly Connectors
DESCRIPTION
The center airbag sensor assembly connector has a mechanism that electrically
detects half connection.
The center airbag sensor assembly monitors the voltage applied to the
disconnection detection pins and ...
On-vehicle inspection
1. INSPECT OCCUPANT CLASSIFICATION ECU
(VEHICLE NOT INVOLVED IN COLLISION)
Perform a diagnostic system check.
2. INSPECT OCCUPANT CLASSIFICATION ECU
(VEHICLE INVOLVED IN COLLISION)
Perform a diagnostic system check.
Even if the airbag was not deployed, check if there
is ...