DESCRIPTION
A short to B+ is suspected in the CAN bus wire when the resistance between terminals 6 (CANH) and 16 (BAT), or terminals 14 (CANL) and 16 (BAT) of the DLC3 is below 6 kΩ.
|
Symptom |
Trouble Area |
| The resistance between terminals 6 (CANH) and 16 (BAT), or terminals 14 (CANL) and 16 (BAT) of the DLC3 is below 6 kΩ. |
|
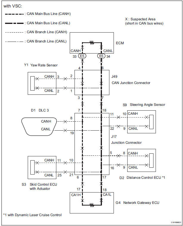
WIRING DIAGRAM


INSPECTION PROCEDURE
NOTICE:
HINT: Operating the ignition switch, any switches, or any doors triggers related ECU and sensor communication with the CAN. This communication will cause the resistance value to change.
1 CHECK FOR SHORT TO B+ IN CAN BUS WIRE (ECM MAIN BUS WIRE)


Standard resistance

REPLACE ECM
2 CHECK FOR SHORT TO B+ IN CAN BUS WIRE (NETWORK GATEWAY MAIN BUS WIRE)


Standard resistance

REPLACE NETWORK GATEWAY ECU
3 CHECK FOR SHORT TO B+ IN CAN BUS WIRE (DLC3 BRANCH WIRE)

Standard resistance

4 CHECK FOR SHORT TO B+ IN CAN BUS WIRE (JUNCTION CONNECTOR - NETWORK GATEWAY MAIN BUS WIRE)

Standard resistance

Result

5 CHECK FOR SHORT TO B+ IN CAN BUS WIRE (JUNCTION CONNECTOR - ECM MAIN BUS WIRE)

Standard resistance

REPLACE WIRING HARNESS CONNECTOR (JUNCTION CONNECTOR)
6 CHECK FOR SHORT TO B+ IN CAN BUS WIRE (JUNCTION CONNECTOR - CAN JUNCTION CONNECTOR MAIN BUS WIRE)

Standard resistance

7 CHECK FOR SHORT TO B+ IN CAN BUS WIRE (SKID CONTROL ECU BRANCH WIRE)

Standard resistance

8 CHECK FOR SHORT TO B+ IN CAN BUS WIRE (STEERING ANGLE SENSOR BRANCH WIRE)

Standard resistance

Result

REPLACE WIRING HARNESS CONNECTOR (JUNCTION CONNECTOR)
9 CHECK FOR SHORT TO B+ IN CAN BUS WIRE (DISTANCE CONTROL ECU BRANCH WIRE)

Standard resistance

REPLACE WIRING HARNESS CONNECTOR (JUNCTION CONNECTOR)
10 CHECK FOR SHORT TO B+ IN CAN BUS WIRE (CAN JUNCTION CONNECTOR - JUNCTION CONNECTOR MAIN BUS WIRE)

Standard resistance

11 CHECK FOR SHORT TO B+ IN CAN BUS WIRE (CAN JUNCTION CONNECTOR - ECM MAIN BUS WIRE)

Standard resistance

12 CHECK FOR SHORT TO B+ IN CAN BUS WIRE (YAW RATE SENSOR BRANCH WIRE)

Standard resistance

REPLACE WIRING HARNESS CONNECTOR (CAN JUNCTION CONNECTOR)
13 CHECK FOR SHORT TO B+ IN CAN BUS WIRE (SKID CONTROL ECU BRANCH WIRE)


Standard resistance

REPLACE ABS & TRACTION ACTUATOR ASSEMBLY
14 CHECK CHECK FOR TO B+ IN BUS WIRE (STEERING ANGLE SENSOR BRANCH WIRE)


Standard resistance

REPLACE STEERING ANGLE SENSOR
15 CHECK CHECK FOR TO B+ IN BUS WIRE (DISTANCE CONTROL ECU BRANCH WIRE)


Standard resistance

16 CHECK CHECK FOR TO B+ IN BUS WIRE (YAW RATE SENSOR BRANCH WIRE)


Standard resistance

REPLACE YAW RATE SENSOR
Short in CAN Bus Lines
Short to GND in CAN Bus LineMaster Reset/ Voice Processing Device ON Error
DTC 01-DD Master Reset
DTC 01-E1 Voice Processing Device ON Error
DESCRIPTION
HINT:
*1: This code may be stored if the engine is started and the ignition switch is
turned to START position
again.
*2: Even if no fault is present, this trouble code may be stored depending on
the battery ...
Key Lock-in Prevention Function does not Work Properly (Manual
Operation and Operation Interlocked with Key are Active)
DESCRIPTION
The un-lock warning switch turns ON when the key is inserted in the ignition
key cylinder. The courtesy
light switch turns ON when the driver side door is opened. These 2 switches are
monitored by the body
ECU.
In order to prevent the key from being locked in, the body ECU cont ...
Checking and replacing
fuses
If any of the electrical components do not operate, a fuse may
have blown. If this happens, check and replace the fuses as necessary.
Turn the engine switch to the “LOCK” position (vehicles without a
smart key system) or off (vehicles with a smart key system).
Open the fuse box cover.
...