DESCRIPTION
The Multiplex network body ECU controls TAIL relay when signal is received from headlight dimmer switch assembly.
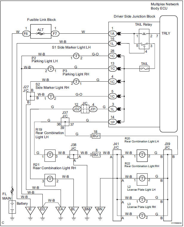
WIRING DIAGRAM

INSPECTION PROCEDURE
1 PERFORM ACTIVE TEST BY INTELLIGENT TESTER
BODY NO.1:

2 INSPECT TAIL LIGHT RELAY

Resistance

3 INSPECT INSTRUMENT PANEL JUNCTION BLOCK ASSEMBLY

Resistance

4 INSPECT INSTRUMENT PANEL JUNCTION BLOCK ASSEMBLY

Voltage

PROCEED TO NEXT CIRCUIT INSPECTION SHOWN IN PROBLEM SYMPTOMS TABLE
Parking Brake Switch CircuitStop Light Switch Circuit Malfunction
DTC P0571 Stop Light Switch Circuit Malfunction
DESCRIPTION
The ECM receives the brake demand signal from the distance control ECU and
transmits it to the skid
control ECU (brake actuator assembly).
The skid control ECU (brake actuator assembly) receives a signal from the ECM
and operates ...
Open in Front Passenger Side Squib Circuit
DTC B0106/54 Open in Front Passenger Side Squib Circuit
DESCRIPTION
The front passenger side squib circuit consists of the center airbag sensor
assembly and the front
passenger airbag assembly.
The circuit instructs the SRS to deploy when deployment conditions are met.
DTC B0106/54 is rec ...
Mass or Volume Air Flow Circuit Range / Performance Problem
DESCRIPTION
Refer to DTC P0100 (See page ES-116).
MONITOR DESCRIPTION
The MAF meter is a sensor that measures the amount of air flowing through the
throttle valve. The ECM
uses this information to determine the fuel injection time and to provide an
appropriate air-fuel ratio.
Insi ...