DESCRIPTION
The BRAKE warning light comes on when the brake fluid is insufficient, the parking brake is applied or the EBD is defective.
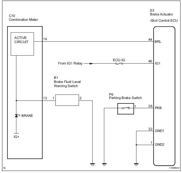
WIRING DIAGRAM

INSPECTION PROCEDURE
HINT: When releasing the parking brake, move the shift lever into the P position in an AT vehicle, and choke in an MT vehicle to hold the vehicle for safety.
1 CHECK BRAKE FLUID LEVEL
(a) Check that the brake fluid level is proper.


2 CHECK DTC
(a) Are the DTC recorded? (See page BC-82)
Result 


REPAIR CIRCUITS INDICATED BY OUTPUT DTCS
3 CHECK BRAKE WARNING LIGHT
ABS / VSC: 
(a) WHEN USING INTELLIGENT TESTER: (1) Connect the intelligent tester to the DLC3.
(2) Start the engine.
(3) Select the item "BRAKE WARN LIGHT" in the ACTIVE TEST and operate the BRAKE warning light on the intelligent tester.
(4) Check that "ON" and "OFF" of the BRAKE warning light are indicated on the combination meter when using the intelligent tester.
OK: Turn the BRAKE warning light on or off in accordance with the intelligent tester.
(b) WHEN NOT USING INTELLIGENT TESTER: (1) Turn the ignition switch off and disconnect the connector from the skid control ECU.

(2) Ground terminal BRL of the skid control ECU.
(3) Turn the ignition switch to the ON position.
(4) Check that the brake warning light.
OK: Turn the light on or off in accordance with the connection of terminal GND and BRL.
NOTICE: When replacing the brake actuator assembly, perform zero point calibration (See page BC-70).


REPLACE BRAKE ACTUATOR ASSEMBLY
4 INSPECT PARKING BRAKE SWITCH

(a) Remove the parking brake switch connector.
(b) Measure the resistance according to the value(s) in the table below.
Standard resistance 


5 CHECK HARNESS AND CONNECTOR (SKID CONTROL ECU - PARKING BRAKE SWITCH)

(a) Disconnect the skid control ECU connector and the parking brake switch connector.
(b) Measure the resistance according to the value(s) in the table below.
Standard resistance 
(c) Measure the resistance according to the value(s) in the table below.
Standard resistance 


6 INSPECT BRAKE FLUID LEVEL WARNING SWITCH

(a) Remove the reservoir tank cap and strainer.
(b) Disconnect the brake fluid level warning switch connector.
(c) Measure the resistance according to the value(s) in the table below.
Standard resistance 


7 CHECK HARNESS AND CONNECTOR (BRAKE FLUID LEVEL WARNING SWITCH - COMBINATION METER)
(a) Disconnect the combination meter connector and the brake fluid level warning switch connector.

(b) Measure the resistance according to the value(s) in the table below.
Standard resistance 
(c) Measure the resistance according to the value(s) in the table below.
Standard resistance 


REPAIR OR REPLACE COMBINATION METER ASSEMBLY
VSC Warning Light does not Come ON
TRAC OFF Indicator Light Remains ONAir Mix Damper Control Servo Motor Circuit (Driver Side)
DESCRIPTION
The air mix control servo motor (air mix damper servo sub-assembly) is
controlled by the A/C amplifier.
The air mix control servo motor moves the air mix damper by rotating (normal,
reverse) with electrical
power from the A/C amplifier.
This adjusts the mix ratio of the air t ...
Dtc check / clear
1. DTC CHECK/CLEAR (WHEN USING SST CHECK WIRE):
(a) DTC check
(1) Using SST, connect terminals TC and CG of the
DLC3.
SST 09843-18040
(2) Turn the ignition switch to the ON position.
(3) Read the DTCs from the ABS warning light on
the combination meter.
HINT:
If no code appears, inspe ...
Pressure Control Solenoid "B" Electrical (Shift
Solenoid Valve SL2)
DESCRIPTION
Shifting from 1st to 5th is performed in combination with "ON" and "OFF"
operation of the shift solenoid
valves SL1, SL2, SL3, S4 and SR which are controlled by the ECM. If an open or
short circuit occurs in
either of the shift solenoid valves, the ECM cont ...