ON-VEHICLE INSPECTION
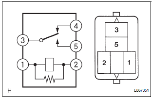
1. BRK RELAY

Resistance

Light control relay
Wiper and washerEnter test mode
HINT:
Operation of the tire pressure warning reset switch
can be checked in TEST MODE.
During TEST MODE, the system is not initialized by
pushing the tire pressure warning reset switch. The
circuit of the tire pressure warning reset switch can be
inspected during this mode.
(a) Make ...
Description of initialization
(a) Perform initialization in the following cases:
Before delivery of a new vehicle.
After replacement of the tire pressure warning
ECU*.
After replacement of the tire pressure warning
valve and transmitter.
Specified tire pressure changes depending on
the size or type of the tire.
...
Evap monitor (key-off type)
(a) Preconditions
The monitor will not run unless:
The fuel tank is less than 90% full.
The altitude is less than 8000 ft (2450 m).
The vehicle is stationary.
The engine coolant temperature is between
4.4°C and 35°C (40°F and 95°F).
The intake air temperature is between 4.4°C and ...