Toyota Sienna Service Manual: DTC check / clear
HINT: If the system cannot enter the diagnostic mode,
inspect all AVC-LAN communication signals and repair or replace problem parts.
1. STARTING DIAGNOSTIC MODE

- Turn the ignition switch to the ACC position.
- Turn off the audio system.
- While pressing the preset switches "1" and "6" at the
same time, press the "DISC" switch 3 times.
HINT:
A beep is emitted 3 times and the diagnostic
function is activated. The system enters the all
element illumination mode and the switch check
mode.
2. ALL ELEMENT ILLUMINATION MODE AND SWITCH CHECK MODE
HINT:
Illumination status of all switches and operations of the
panel switches can be checked.

- Check that all elements are on.
- When pressing each panel switch, check that a
beep is emitted.
NOTICE:
Pressing the "SEEK TRACK UP" switch
transfers the screen to the stereo jack adapter
connection check screen. Check the operation
of this switch by confirming the transfer of the
screen.
3. STEREO JACK ADAPTER CONNECTION CHECK MODE

- Press the "SEEK TRACK UP" switch.
- Check if the stereo jack adapter is recognized.
HINT:
Vehicles that do not have a stereo jack adapter also
have this function.
NOTICE:
This function is not to check connection
information on an external device, but to check
recognition information on a stereo jack
adapter.
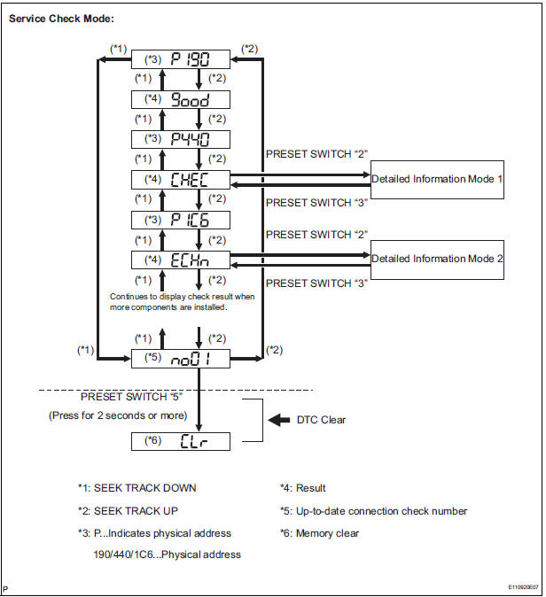
4. SERVICE CHECK MODE
- Press the "SEEK TRACK UP" switch.
HINT:
For details of the service check mode, refer to "6.
CHECK DTC" and "7. DTC CLEAR/RECHECK".
5. FINISHING DIAGNOSTIC MODE
- Press the "DISC" switch for 2 seconds or more, or
turn the ignition switch of
6. CHECK DTC
HINT:
Illustrations may differ from the actual vehicle depending
on the device settings and options. Therefore, some
detailed areas may not be shown exactly the same as on
the actual vehicle.
- Reference:
In the system check mode, the system check and
the diagnostic memory check are performed, and
the check results are displayed in ascending order
of the component codes (physical address).

- Service check result display

- Device name and physical address

- Service check mode
- Press the "SEEK TRACK" switch to see the
check result of each component.
- The component code (physical address) is
displayed first, and then the check result follows.
HINT:
- If all check results are "good", the system
judges that no DTC exists
- If the preset switch "1" is pressed in the
service check mode, service check is
performed again.
- This illustration is only an example and may
differ in cases such as for each option part
and output DTCs

- Detailed information mode 1
HINT:
- "Detailed information mode 1" is displayed when
there is no response to "System Check Result
Request" and DTC is detected only in
"Diagnostic Memory Request".
- The component device code (physical address)
is displayed first, and then the check result
follows.
- This illustration is only an example and may differ
in cases such as for each option part and output
DTCs.
- Press the preset switch "2" to go to the "Detailed
Information Mode 1".
- Press the "SEEK TRACK" switch to display the
physical address and DTC of the component.
- Press the preset switch "3" to go to the "Service
Check Mode".
- Distinguish between the displays of the
responses to "System Check Result Request"
and "Diagnostic Memory Request". In order to
distinguish the information detected in "System
Check Mode" and "Diagnostic Memory Mode" in
"ECHn", "CHEC", and "OLd" in "Detailed
Information Mode 1", refer to the following:
- "SyS" is displayed before the detailed codes
detected as a result of "System Check Result
Request" are displayed.
- "COdE" is displayed before the detailed
codes detected as a result of "Diagnostic
Memory Request" are displayed.
HINT:
- The response to "System Check Result
Request" is the current information given
from each ECU as a result of the system
check.
- The response to "Diagnostic Memory
Request" contains the information received
from each ECU or stored in each ECU in the
past.
- The response to "Diagnostic Memory
Request" is the output DTCs as a result of the
diagnostic memory check or the DTCs
received from each ECU.
- "System Check Result Request (SyS)" is
displayed first, and then the logical address
and DTC appear in order.
- "Diagnostic Memory Request (COdE)" is
displayed first, and then the logical address,
DTC, sub-code, connection check number,
and the number of occurrence appear in
order.

- Detailed information mode 2
HINT:
- "Detailed information mode 2" is displayed when
DTCs are detected in the responses to both
"System Check Result Request" and "Diagnostic
Memory Request".
- The component device code (physical address)
is displayed first, and then the check result
follows.
- This illustration is only an example and may differ
in cases such as for each option part and output
DTCs.
- Press the preset switch "2" to go to the "Detailed
Information Mode 2".
- Press the "SEEK TRACK" switch to display the
physical address and DTC of the component.
- Press the preset switch "3" to go to the "Service
Check Mode".
- Distinguish between the displays of the
responses to "System Check Result Request"
and "Diagnostic Memory Request". In order to
distinguish the information detected in "System
Check Mode" and "Diagnostic Memory Mode" in
"ECHn", "CHEC", and "OLd" in "Detailed
Information Mode 2", refer to the following:
- "SyS" is displayed before the detailed codes
detected as a result of "System Check Result
Request" are displayed.
- "COdE" is displayed before the detailed
codes detected as a result of "Diagnostic
Memory Request" are displayed.
HINT:
- The response to "System Check Result
Request" is the current information given
from each ECU as a result of the system
check.
- The response to "Diagnostic Memory
Request" contains the information
received from each ECU or stored in each
ECU in the past.
- The response to "Diagnostic Memory
Request" is the output DTCs as a result of
the diagnostic memory check or the DTCs
received from each ECU.
- "System Check Result Request (SyS)" is
displayed first, and then the logical
address and DTC appear in order.
- "Diagnostic Memory Request (COdE)" is
displayed first, and then the logical
address, DTC, sub-code, connection
check number, and the number of
occurrence appear in order.

7. DTC CLEAR/RECHECK

- Clearing All DTC Memory (when clearing all the
memory of the DTCs previously detected).
- When the preset switch "5" is pressed for 2
seconds or more during "Service Check Mode",
the DTCs for all components are cleared. ("CLr"
is displayed at this time.)
HINT:
- A beep sound is emitted once when the DTC
memory is completely cleared.
- When the DTC memory for all the
components is cleared, only the component
codes (physical address) are displayed.
- After the DTC memory is cleared, the
"Service Check Mode" is restored.
- Clearing Individual DTC Memory (when clearing the
memory of the DTC previously detected
individually).
- When the preset switch "5" is pressed for 2
seconds or more during "Detailed Information
Mode 1" or "Detailed Information Mode 2", the
DTCs for the target component are cleared.
HINT:
- A beep sound is emitted once when the DTC
memory is completely cleared.
- When the DTC memory is cleared, only the
component code (physical address) is
displayed for the target component.
- After the DTC memory is cleared, the
"Service Check Mode" is restored.
- To check DTCs, press the preset switch "1"
and perform the system check again.
- Press the preset switch "1" to perform the service
check again, and check that no DTCs are displayed
for all the component codes (physical address).
1. RADIO RECEIVER (10 SPEAKER SYSTEM)
*1: with Rear Seat Entertainment System
2. RADIO RECEIVER (6 SPEAKER SYSTEM)
*1: with Rear Seat Entertainment System
*2: without Rear Seat ...
COMMUNICATION DIAGNOSIS:
DVD PLAYER:
CD PLAYER
IN-DASH CD CHANGER
...
Other materials:
Room temperature sensor (for rear air conditioning system)
ON-VEHICLE INSPECTION
1. INSPECT REAR A/C ROOM TEMPERATURE SENSOR
(a) Remove the rear A/C room temperature sensor.
(b) Disconnect the connector from the rear A/C room
temperature sensor.
(c) Measure the resistance according to the value(s) in
the table below.
Standard resistance
NOTI ...
Jam Protection Function Activates During Power Slide Door RH
Operation
DESCRIPTION
It may be caused by ill-fitting slide door, faulty touch sensor or
faulty pulse sensor.
The power slide door ECU activates the slide motor to open / close
the power slide door, thus
controlling the power slide door operation. For jam and foreign object
detect ...
Adjusting the set speed
To change the set speed, operate the lever until the desired set speed
is displayed.
Increases the speed
Decreases the speed
Fine adjustment: Momentarily
move the lever in the desired direction.
Large adjustment: Hold the lever in
the desired direction.
In the vehicle-to-vehicl ...