(a) For an open circuit in the wire harness in Fig. 1, the resistance or voltage, as described below.

(b) Check the resistance.

Check the resistance
Standard resistance (Fig. 2)

HINT:
Measure the resistance while lightly shaking the wire harness vertically and horizontally. If the results match the examples above, an open circuit exists between terminal 1 of connector A and terminal 1 of connector C.
(2) Disconnect connector B and measure the resistance between the terminals of the connectors.

Standard resistance (Fig. 3)

If the results match the examples above, an open circuit exists between terminal 1 of connector B2 and terminal 1 of connector C.
(c) Check the voltage.
Check the voltage
(1) In a circuit in which voltage is applied to the ECU connector terminal, an open circuit can be checked by conducting a voltage check.
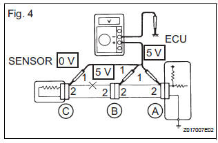
With each connector still connected, measure the voltage between the body ground and these terminals (in this order): 1) terminal 1 of connector A, 2) terminal 1 of connector B, and 3) terminal 1 of connector C.
Standard voltage (Fig. 4)

If the results match the examples above, an open circuit exists in the wire harness between terminal 1 of connector B and terminal 1 of connector C.
Basic inspection
Check for short circuitTransmitter ID not Registered
DTC C2171/71 Transmitter ID not Registered
DESCRIPTION
The IDs of each tire pressure warning valve and transmitters are registered
to the tire pressure warning
ECU.
When the IDs have never been registered, a DTC is output.
INSPECTION PROCEDURE
NOTICE:
When replacing the tire pressu ...
Ignition Coil Primary / Secondary Circuit
DTC P0351 Ignition Coil "A" Primary / Secondary Circuit
DTC P0352 Ignition Coil "B" Primary / Secondary Circuit
DTC P0353 Ignition Coil "C" Primary / Secondary Circuit
DTC P0354 Ignition Coil "D" Primary / Secondary Circuit
DTC P0355 Ignition Coil "E& ...
Air Mix Damper Position Sensor Circuit (Passenger Side)
DESCRIPTION
This sensor detects the position of the air mix control servo motor (air mix
damper) and sends the
appropriate signals to the A/C amplifier. The position sensor is built in the
air mix control servo motor. The
position sensor's resistance changes as the air mix control servo m ...