|
Terms |
Definitions |
| Monitor Description | Description of what ECM monitors and how to detect malfunctions (monitoring purpose and details). |
| Related DTCs | A group of diagnostic trouble codes that are output by ECM based on the same malfunction detection logic. |
| Typical Enabling Conditions | Preconditions that allow ECM to detect malfunction.
With all preconditions satisfied, ECM sets DTC when monitored value(s) exceeds malfunction threshold(s). |
| Sequence of Operation | Order of monitor priority, applied if multiple sensors and
components are involved in single malfunction detection
process.
Each sensor and component monitored in turn and not monitored until previous detection operation is completed |
| Required Sensors / Components | Sensors and components used by ECM to detect each malfunction |
| Frequency of Operation | Number of times ECM checks for each malfunction during each driving
cycle.
"Once per driving cycle" means ECM performs checks for that malfunction only once in single driving cycle. "Continuous" means ECM performs checks for that malfunction whenever enabling conditions are met. |
| Duration | Minimum time for which ECM must detect continuous deviation in monitored value(s) in order to set DTC. Timing begins when typical enabling conditions are met. |
| Malfunction Thresholds | Values, beyond which, ECM determines malfunctions exist and sets DTCs. |
| MIL Operation | Timing of MIL illumination after defect is detected.
"Immediate" means ECM illuminates MIL as soon as malfunction is detected. "2 driving cycles" means ECM illuminates MIL if the same malfunction is detected twice during the next sequential driving cycle. |
PARTS LOCATION



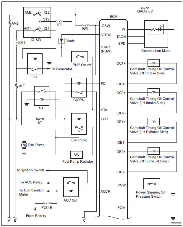
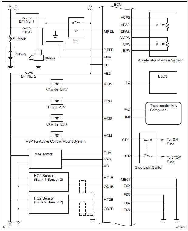
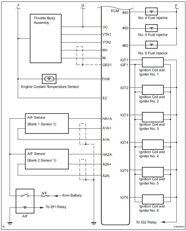
SYSTEM DIAGRAM




Precaution
How to proceed with
troubleshootingData list / active test
1. READ DATA LIST
HINT:
Using the intelligent tester's DATA LIST allows switch,
actuator and other item values to be read without
removing any parts. Reading the DATA LIST early in
troubleshooting is one way to save time.
Connect the intelligent tester with CAN VIM to the
DLC3.
&n ...
Cranking Holding Function Circuit
DESCRIPTION
The system detects the ignition switch's starting signal (STSW) and then
supplies current to the starter
until the ECM judges that the engine has started successfully. The purpose is to
reduce the holding time
of the ignition key.
WIRING DIAGRAM
Refer to DTC P0617 (See page ...
Removal
HINT:
Don't use the dropped or damaged yawrate sensor
Free from the foreign matters between yaerate sensor
bracket and body.
Make sure the sensor direction.
1. REMOVE FRONT SEAT ASSEMBLY RH
HINT:
See page SE-40.
2. REMOVE FRONT DOOR SCUFF PLATE RH
3. REMOVE COWL SIDE TRIM BOARD RH
...