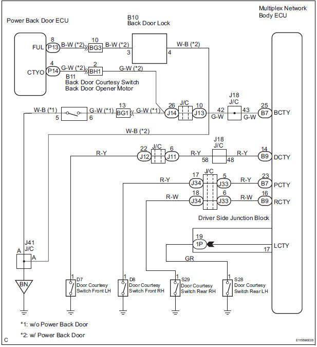
DESCRIPTION
The Multiplex network body ECU detects the condition of the door courtesy switch assembly.
WIRING DIAGRAM

INSPECTION PROCEDURE
1 READ VALUE OF INTELLIGENT TESTER
BODY NO.1:

BACK DOOR:

2 INSPECT COURTESY LIGHT SWITCH
3 INSPECT BACK DOOR LOCK ASSEMBLY
4 CHECK HARNESS AND CONNECTOR


Resistance

5 INSPECT INSTRUMENT PANEL JUNCTION BLOCK ASSEMBLY (BACK DOOR COURTESY LIGHT SWITCH CIRCUIT)

Voltage

6 CONFIRM VEHICLE TYPE
A: w/o Power back door
B: w/ Power back door
7 INSPECT POWER BACK DOOR SYSTEM
REPAIR OR REPLACE HARNESS OR CONNECTOR
Automatic Light Control Sensor Circuit
Door LOCK Position CircuitReassembly
1. INSTALL DIFFERENTIAL CASE SUB-ASSEMBLY NO.2
(a) Coat the front differential side gear thrust washer
No.1, front differential planetary ring gear, front
differential pinion No.2, front differential pinion thrust
washer No.2, front differential pinion shaft holder,
front differential pinio ...
CD Abnormal/ Excess Current/ Tray Insertion / Ejection Error/ CD Abnormal/
Excess Current/ Tray Insertion / Ejection Error
DTC 62-44 CD Abnormal
DTC 62-48 Excess Current
DTC 62-50 Tray Insertion / Ejection Error
DTC 63-44 CD Abnormal
DTC 63-48 Excess Current
DTC 63-50 Tray Insertion / Ejection Error
DESCRIPTION
DTC No.
DTC Detecting Condition
Trouble Area
62-44
Operation error ...
Front Speed Sensor RH Circuit
DESCRIPTION
The speed sensor detects wheel speed and transmits the appropriate signals to
the ECU. These signals
are used for control of the ABS control system. The front and rear rotors have
48 serrations each.
When the rotors rotate, the magnetic field generated by the permanent magne ...