Inspection
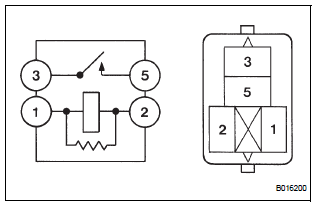
1. INSPECT EFI RELAY

(a) Using an ohmmeter, measure the resistance according to the value(s) in the table below.
Standard resistance

If the result is not as specified, replace the relay.
Installation
Circuit opening relayShort to GND in Front Pretensioner Squib RH
Circuit
DTC B0132/61 Short to GND in Front Pretensioner Squib RH
Circuit
DESCRIPTION
The front pretensioner squib RH circuit consists of the center airbag sensor
assembly and the front seat
outer belt assembly RH.
This circuit instructs the SRS to deploy when deployment conditions are met.
DTC B ...
How to proceed with
troubleshooting
1 VEHICLE BROUGHT TO WORKSHOP
2 CUSTOMER PROBLEM ANALYSIS
3 CHECK AND CLEAR DTCs
Refer to the diagnostic check/clear
4 PROBLEM SYMPTOM CONFIRMATION
5 SYMPTOM SIMULATION
6 CHECK DTC
7 CHECK IF THE SAME SYMPTOM APPEARS IN THE NAVIGATION SYSTEM
Refer to the navigation system
8 PROBLE ...
How to proceed with troubleshooting
Hint:
The ecm of this system is connected to the can and
multiplex communication system. Therefore, before
starting troubleshooting, make sure to check that there is
no trouble in the can and multiplex communication
systems
The intelligent tester can be used at steps 3, 4, 6, and 9.
...