INSPECTION
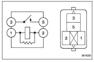
1. INSPECT EFI RELAY

(a) Using an ohmmeter, measure the resistance according to the value(s) in the table below.
Standard resistance

If the result is not as specified, replace the relay.
Knock sensor
Circuit opening relayRear Occupant Classification Sensor RH Collision
Detection
DTC B1788 Rear Occupant Classification Sensor RH Collision
Detection
DESCRIPTION
DTC B1788 is output when the occupant classification ECU receives a collision
detection signal sent by
the rear occupant classification sensor RH if an accident occurs.
DTC B1788 is also output when the front s ...
Mirror Motor Circuit
DESCRIPTION
A mirror control switch signal and memorized mirror positions are sent to the
outer mirror control ECU.
The outer mirror control ECU drives the selected mirror UP, DOWN, LEFT and RIGHT
in response to the
inputs.
HINT:
The power mirror control system is part of the large-scale ...
Registering and connecting from the “Bluetooth* Setup” screen
To display the screen shown below, press the “SETUP” button and
select “Bluetooth*” on the “Setup” screen.
Select to connect the device to
be used with audio system.
Select to register a Bluetooth® device to be used with audio system.
Select to set detailed
Blueto ...