INSPECTION
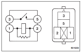
1. INSPECT CIRCUIT OPENING RELAY

(a) Using an ohmmeter, measure the resistance according to the value(s) in the table below.
Standard resistance

If the result is not as specified, replace the relay.
Efi relay
Air fuel ratio sensor relayRear Occupant Classification Sensor RH Circuit
Malfunction
DTC B1783 Rear Occupant Classification Sensor RH Circuit
Malfunction
DESCRIPTION
The rear occupant classification sensor RH circuit consists of the occupant
classification ECU and the
rear occupant classification sensor RH.
DTC B1783 is recorded when a malfunction is detected in the rear oc ...
Diagnostic trouble code chart
HINT:
The parameters listed in the chart may not confirm exactly to
those read during the DTC check due to the type of
instrument or other factors.
If a trouble code is displayed during the DTC check in the
check mode, check the circuit for the code listed in the table
below. For details of ...
Transfer system
PRECAUTION
NOTICE:
1. Before disassembly, clean the transfer assembly of
any sand or mud to prevent it from entering inside the
transfer during disassembly and assembly.
2. When removing any light alloy part such as a transfer
cover, do not pry it off with a tool like a screwdriver,
but tap ...