1. INSPECT INVERTER MAIN SWITCH


If continuity is not as specified, replace the main switch assembly.

If operation is not as specified, check the faulty bulb.

If continuity exists, replace the main switch assembly.
If no continuity exists, replace the bulb.
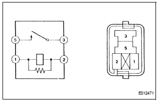
2. INSPECT INVERTER RELAY


If continuity is not as specified, replace the point socket relay.
Installation
1. INSTALL VOLTAGE INVERTER ASSEMBLY

Torque: 5.4 N*m (55 kgf*cm, 47 in.*lbf)
NOTICE: Tighten the bolts in order shown in the illustration to in the voltage inverter assembly.
2. INSTALL QUARTER TRIM FRONT PANEL ASSEMBLY LH
3. INSTALL BACK DOOR SCUFF PLATE
4. INSTALL BACK DOOR WEATHERSTRIP
5. INSTALL REAR DOOR WEATHERSTRIP LH
6. INSTALL REAR DOOR SCUFF PLATE LH
Removal
Video terminalBasic inspection
When a malfunction is not confirmed by the DTC check,
troubleshooting should be carried out in all circuits
considered to be possible causes of the problem. In many
cases, by carrying out the basic engine check shown in the
following flowchart, the location of the problem can be found
quickly a ...
Open in Front Passenger Side Squib Circuit
DTC B0106/54 Open in Front Passenger Side Squib Circuit
DESCRIPTION
The front passenger side squib circuit consists of the center airbag sensor
assembly and the front
passenger airbag assembly.
The circuit instructs the SRS to deploy when deployment conditions are met.
DTC B0106/54 is rec ...
Rear Air Mix Damper Position Sensor Circuit
DESCRIPTION
This sensor detects the position of the rear air mix control servo motor
(water valve servo motor) and
sends the appropriate signals to the A/C amplifier. The position sensor is built
in the rear air mix control
servo motor (water valve servo motor).
The position sensor's r ...