DTC P0171 System Too Lean (Bank 1)
DTC P0172 System Too Rich (Bank 1)
DTC P0174 System Too Lean (Bank 2)
DTC P0175 System Too Rich (Bank 2)
DESCRIPTION
The fuel trim is related to the feedback compensation value, not to the basic injection time. The fuel trim consists of both the short-term and long-term fuel trims.
The short-term fuel trim is fuel compensation that is used to constantly maintain the air-fuel ratio at stoichiometric levels. The signal from the Air-Fuel Ratio (A/F) sensor indicates whether the air-fuel ratio is rich or lean compared to the stoichiometric ratio. This triggers a reduction in the fuel injection volume if the air-fuel ratio is rich and an increase in the fuel injection volume if it is lean.
Factors such as individual engine differences, wear over time and changes in operating environment cause short-term fuel trim to vary from the central value. The long-term fuel trim, which controls overall fuel compensation, compensates for long-term deviations in the fuel trim from the central value caused by the short-term fuel trim compensation.
If both the short-term and long-term fuel trims are lean or rich beyond predetermined values, it is interpreted as a malfunction, and the ECM illuminates the MIL and sets a DTC.
|
DTC No. |
DTC Detection Condition |
Trouble Area |
| P0171 P0174 |
With warm engine and stable air-fuel ratio feedback, fuel trim considerably in error to lean side (2 trip detection logic) |
|
| P0172 P0175 |
With warm engine and stable air-fuel ratio feedback, fuel trim considerably in error to rich side (2 trip detection logic) |
|
HINT:
MONITOR DESCRIPTION
Under closed-loop fuel control, fuel injection volumes that deviate from those estimated by the ECM cause changes in the long-term fuel trim compensation value. The long-term fuel trim is adjusted when there are persistent deviations in the short-term fuel trim values. Deviations from the ECM's estimated fuel injection volumes also affect the average fuel trim learning value, which is a combination of the average short-term fuel trim (fuel feedback compensation value) and the average long-term fuel trim (learning value of the air-fuel ratio). If the average fuel trim learning value exceeds the malfunction thresholds, the ECM interprets this as a fault in the fuel system and sets a DTC.
Example: The average fuel trim learning value is more than +35% or less than -35%, the ECM interprets this as a fuel system malfunction.

MONITOR STRATEGY

TYPICAL ENABLING CONDITIONS
Fuel-trim:

TYPICAL MALFUNCTION THRESHOLDS
Fuel trim:

WIRING DIAGRAM
Refer to DTC P2195
INSPECTION PROCEDURE
HINT: For use of the intelligent tester only: Malfunctioning areas can be identified by performing the A/F CONTROL function provided in the ACTIVE TEST. The A/F CONTROL function can help to determine whether the Air-Fuel Ratio (A/F) sensor, Heated Oxygen (HO2) sensor and other potential trouble areas are malfunctioning.
The following instructions describe how to conduct the A/F CONTROL operation using the intelligent tester.
HINT:
Standard voltage


NOTICE: The Air-Fuel Ratio (A/F) sensor has an output delay of a few seconds and the Heated Oxygen (HO2) sensor has a maximum output delay of approximately 20 seconds.

HINT:
1 CHECK ANY OTHER DTCS OUTPUT (IN ADDITION TO DTC P0171, P0172, P0174 OR P0175)
Result

HINT: If any DTCs other than P0171, P0172, P0174 or P0175 are output, troubleshoot those DTCs first.
2 CHECK PCV HOSE CONNECTIONS
OK: PCV hose is connected correctly and is not damaged.
3 CHECK INTAKE SYSTEM
OK: No leakage from intake system.
4 PERFORM ACTIVE TEST BY INTELLIGENT TESTER (A/F CONTROL)
HINT:
Standard voltage

Result

Lean: During A/F CONTROL, the A/F sensor output voltage (AFS) is consistently more than 3.35 V, and the HO2 sensor output voltage (O2S) is consistently less than 0.4 V.
Rich: During A/F CONTROL, the AFS is consistently less than 3.0 V, and the O2S is consistently more than 0.55 V.
Lean/Rich: During A/F CONTROL of the ACTIVE TEST, the output voltage of the heated oxygen sensor alternates correctly.
5 READ VALUE OF INTELLIGENT TESTER (COOLANT TEMP)
Standard:
With cold engine: Same as ambient air temperature.
With warm engine: Between 75C and 95C (167F and 203F)
6 READ VALUE OF INTELLIGENT TESTER (MAF)
Standard:
MAF while engine idling: Between 1.8 g/s and 4.7 g/s (shift position: N, A/ C: OFF).
MAF at engine speed of 2500 rpm: Between 7.4 g/s and 18.9 g/s (shift position: N, A/ C: OFF).
7 CHECK FUEL PRESSURE
8 INSPECT FOR EXHAUST GAS LEAK
OK: No gas leakage
9 CHECK FOR SPARKS AND IGNITION
HINT: If the spark plugs or ignition system malfunctions, engine misfire may occur. The misfire count can be read using the intelligent tester. Select the following menu items: DIAGNOSIS / ENHANCED OBD II / DATA LIST / PRIMARY / CYL #1 (to CYL #6).
10 INSPECT FUEL INJECTOR ASSEMBLY (INJECTION AND VOLUME)
HINT: If the injectors malfunction, engine misfire may occur.
The misfire count can be read using the intelligent tester.
Select the following menu items: DIAGNOSIS / ENHANCED OBD II / DATA LIST / PRIMARY / CYL #1 (to CYL #6).
11 INSPECT AIR FUEL RATIO SENSOR (HEATER RESISTANCE)

Standard resistance: Bank 1

Bank 2

Result

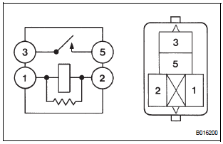
12 INSPECT RELAY (A/F RELAY)

Standard resistance

13 CHECK HARNESS AND CONNECTOR (A/F SENSOR - ECM)

Standard voltage

Standard resistance: Check for open

Check for short


14 REPLACE AIR FUEL RATIO SENSOR
15 PERFORM CONFIRMATION DRIVING PATTERN

HINT: If the system is still malfunctioning, the MIL will be illuminated during procedure "F".
NOTICE: If the conditions in this test are not strictly followed, no malfunction will be detected.
16 CHECK WHETHER DTC OUTPUT RECURS (DTC P0171, P0172, P0174 OR P0175)
Result

END
Oxygen Sensor Circuit Malfunction/ Oxygen Sensor Circuit Low Voltage/ Oxygen
Sensor Circuit High Voltage
Fuel Pump Primary CircuitCatalyst monitor (active air-fuel ratio control
type)
(a) Preconditions
The monitor will not run unless:
The MIL is OFF.
(b) Drive Pattern
(1) Connect an intelligent tester.
(2) Turn the ignition switch to the ON position.
(3) Turn the tester or scan tool ON.
(4) Clear the DTCs.
(5) Start the engine and warm it up.
(6) Drive ...
Short to GND in Rear Curtain Shield Squib LH
Circuit
DTC B1637/85 Short to GND in Rear Curtain Shield Squib LH
Circuit
DESCRIPTION
The rear curtain shield squib LH circuit consists of the center airbag sensor
assembly and the curtain
shield airbag assembly LH.
The circuit instructs the SRS to deploy when deployment conditions are met.
DTC ...
Distance Control Switch Circuit
DESCRIPTION
The distance control switch sets the vehicle-to-vehicle distance mode. The
distance control switch is
installed in the steering pad switch. The vehicle-to-vehicle distance set value
can be changed by
operating the steering pad switch (distance control switch) while the dynamic
l ...