Parts location

System diagram

2Gr-fe intake
Intake air control valveRoom temperature sensor (for rear air conditioning system)
ON-VEHICLE INSPECTION
1. INSPECT REAR A/C ROOM TEMPERATURE SENSOR
(a) Remove the rear A/C room temperature sensor.
(b) Disconnect the connector from the rear A/C room
temperature sensor.
(c) Measure the resistance according to the value(s) in
the table below.
Standard resistance
NOTI ...
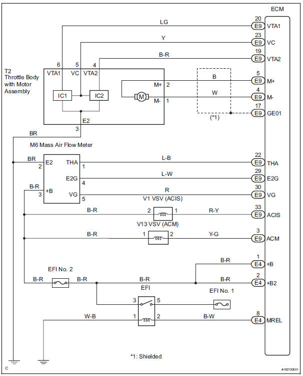
Throttle / Pedal Position Sensor / Switch "A" Circuit Range / Performance
Problem
HINT:
This DTC relates to the Throttle Position (TP) sensor.
DESCRIPTION
Refer to DTC P0120 (See page ES-145).
MONITOR DESCRIPTION
The ECM uses the TP sensor to monitor the throttle valve opening angle.
This sensor transmits two signals: VTA1 and VTA2. VTA1 is used to detect the
th ...
Disposal
1. DISPOSE OF SHOCK ABSORBER ASSEMBLY REAR LH
(a) Fully extend the shock absorber rod.
(b) Using a drill, make a hole in the cylinder as shown in
the illustration to discharge the gas inside the
cylinder.
CAUTION:
When drilling, since the fragments may fly
out, work careful ...