DESCRIPTION
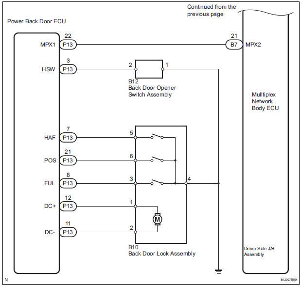
With power back door: The signal for manual locking/unlocking operation of the driver/passenger side door and the signal for locking/unlocking operation interlocked with the driver side door key cylinder are sent to the back door ECU from the body ECU using the MPX line. In response to these signals, the back door ECU causes the back door lock to be locked/unlocked. The ON signal of the back door opener switch, which is output when the switch is pressed, is directly sent to the back door ECU. In response to this signal, the back door ECU causes the back door lock to be open.
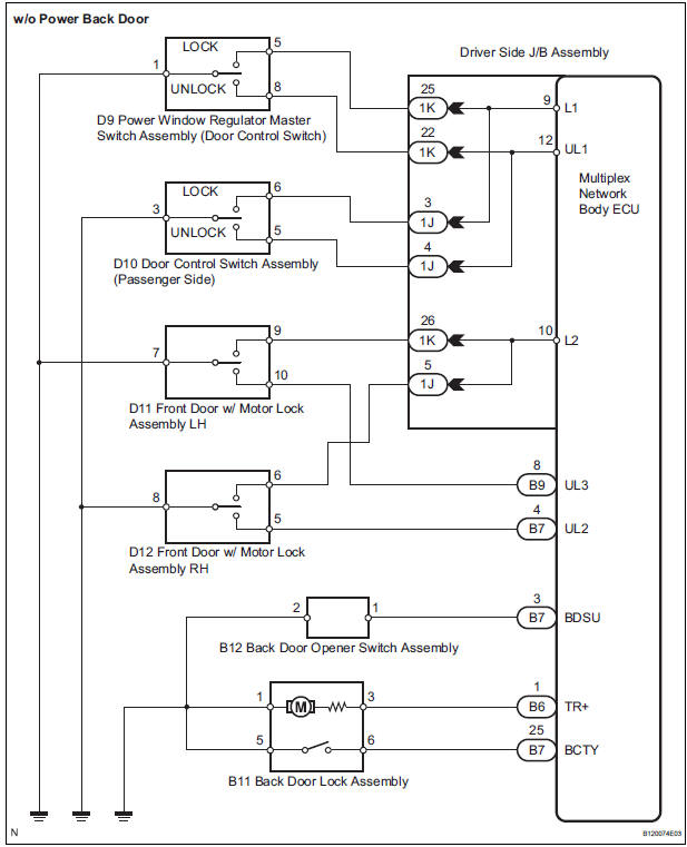
Without power back door: The signal for manual locking/unlocking operation of the driver/passenger side door and the signal for locking/unlocking operation interlocked with the driver side door key cylinder are sent to the body ECU. The ON signal of the back door opener switch, which is output when the switch is pressed, is sent to body ECU.
WIRING DIAGRAM



INSPECTION PROCEDURE
1 CHECK POWER BACK DOOR

2 CHECK DTC
3 PERFORM ACTIVE TEST BY INTELLIGENT TESTER
HINT: During the ACTIVE TEST, the intelligent tester sends a signal to the body ECU to drive all the power door lock motors. If all the power door locks operate, the power door lock motors and the harness between the power door lock motors and body ECU are considered to be functioning normally.
BODY (Multiplex network body ECU)

4 INSPECT BACK DOOR LOCK ASSEMBLY

Then, check operation of the latch.
Standard: The latch turns to the open-latch position
Standard


Standard resistance

Standard resistance

Standard resistance

5 CHECK HARNESS AND CONNECTOR (BACK DOOR LOCK ASSEMBLY - POWER BACK DOOR ECU)

Standard resistance

6 READ VALUE OF DATA LIST
BODY (Multiplex network body ECU)

7 INSPECT BACK DOOR OPENER SWITCH ASSEMBLY

Standard resistance

8 CHECK HARNESS AND CONNECTOR (BACK DOOR OPENER SWITCH - POWER BACK DOOR ECU - BODY GROUND)

Standard resistance

REPLACE DRIVER SIDE JUNCTION BLOCK ASSEMBLY (MULTIPLEX NETWORK BODY ECU)
9 PERFORM ACTIVE TEST BY INTELLIGENT TESTER
HINT: During the ACTIVE TEST, the intelligent tester sends a signal to the body ECU to drive all the power door lock motors. If all the power door locks operate, the power door lock motors and the harness between the power door lock motors and body ECU are considered to be functioning normally.
BODY (Multiplex network body ECU)

10 INSPECT BACK DOOR LOCK ASSEMBLY

Then, check operation of the latch.
Standard: The latch turns to the open-latch position
Standard

Standard resistance

11 CHECK HARNESS AND CONNECTOR (BACK DOOR LOCK ASSEMBLY - DRIVER SIDE J/B)

Standard resistance

12 READ VALUE OF INTELLIGENT TESTER
BODY

13 INSPECT BACK DOOR OPENER SWITCH ASSEMBLY

Standard resistance

14 CHECK HARNESS AND CONNECTOR (BACK DOOR OPENER SWITCH - DRIVER SIDE J/B)

Standard resistance

REPLACE DRIVER SIDE JUNCTION BLOCK ASSEMBLY (MULTIPLEX NETWORK BODY ECU)
Key Lock-in Prevention Function does not Work Properly (Manual
Operation and Operation Interlocked with Key are Active)Short to GND in Curtain Shield Squib LH Circuit
DTC B1167/85 Short to GND in Curtain Shield Squib LH Circuit
DESCRIPTION
The curtain shield squib LH circuit consists of the center airbag sensor
assembly and the curtain shield
airbag assembly LH.
The circuit instructs the SRS to deploy when deployment conditions are met.
DTC B1167/85 is ...
Removal
1. SEPARATE BATTERY NEGATIVE TERMINAL
2. REMOVE FRONT DOOR SCUFF PLATE LH
3. REMOVE COWL SIDE TRIM BOARD LH
4. REMOVE INSTRUMENT PANEL FINISH PANEL SUBASSEMBLY
LOWER LH
(a) Remove the 2 bolts and instrument panel finish
panel sub-assembly lower LH.
5. REMOVE INSTRUMENT PANEL SAFETY PAD
INSER ...
Using the rear view monitor system
Screen description
The rear view monitor system screen will be displayed if the shift
lever is shifted to R while the engine switch is in the “ON” position
(vehicles without a smart key system) or IGNITION ON mode (vehicles
with a smart key system).
Vehicle width guide line
The lin ...