DESCRIPTION
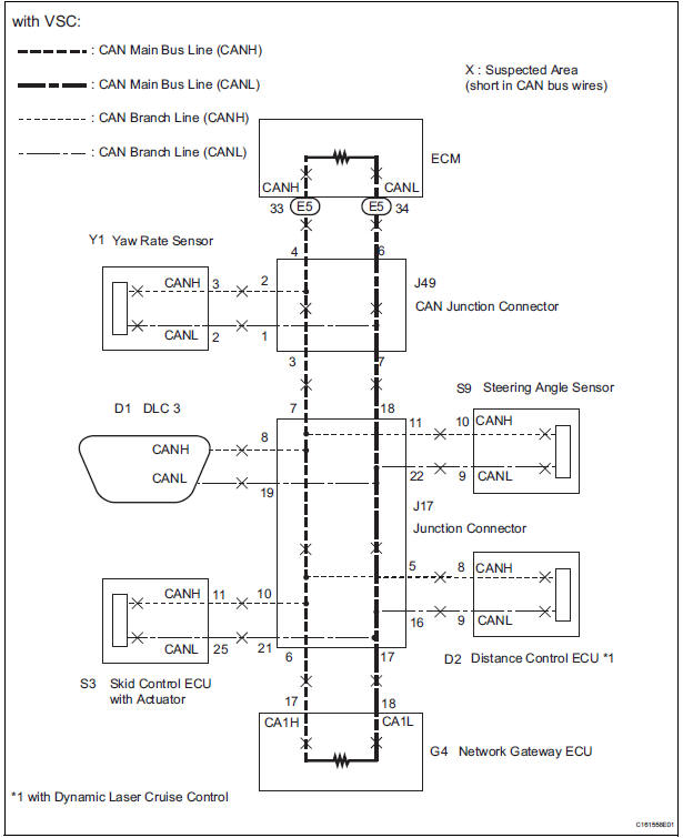
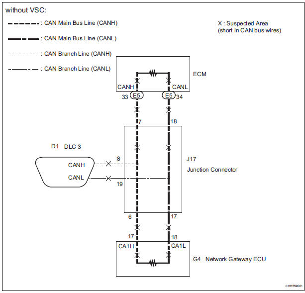
If 2 or more ECUs and/or sensors do not appear on the intelligent tester "Communication Bus Check" screen, one side of the CAN branch wire may be open. (One side of the CAN-H [branch wire] / CAN-L [branch wire] of the ECU and/or sensor is open.)
|
Symptom |
Trouble Area |
| 2 or more ECUs and/or sensors do not appear on the intelligent tester "Communication Bus Check" screen. |
|
WIRING DIAGRAM


INSPECTION PROCEDURE
NOTICE:
HINT: Perform the following inspection for the ECUs (sensors) which are not displayed on the intelligent tester. If the malfunction cannot be identified, then perform the following inspections for the ECUs (sensors) connected to CAN communication.
1 CHECK FOR OPEN IN ONE SIDE OF CAN BRANCH WIRE
HINT: If any ECUs or sensors, other than those from which the connectors were disconnected in the previous step, are not displayed on the "Communication Bus Check" screen, reconnect the disconnected connectors and repeat the procedures [*1], [*2], and [*3].
(e) Perform the communication stop mode check for the ECUs and sensors which correspond to the disconnected connectors.
GO TO CORRESPONDING COMMUNICATION STOP MODE
Short to GND in CAN Bus Line
Network gateway ECURear evaporator temperature sensor circuit
DESCRIPTION
The rear evaporator temperature sensor is installed on the rear evaporator.
It detects the rear evaporator
temperature. The sensor sends a signal to the A/C amplifier. The resistance of
the rear evaporator
temperature sensor changes in accordance with the rear evaporator temperatu ...
Speed Signal Circuit
DESCRIPTION
The clearance warning ECU receives the vehicle speed signal from the
combination meter.
HINT:
A voltage of 12 V or 5 V is output from each ECU and then input to
the combination meter. The signal
is changed to a pulse signal at the transistor in the combination meter.
...
Short in Front Passenger Side Squib 2nd Step
Circuit
DTC B1185/57 Short in Front Passenger Side Squib 2nd Step
Circuit
DESCRIPTION
The front passenger side squib 2nd step circuit consists of the center airbag
sensor assembly and the
front passenger airbag assembly.
The circuit instructs the SRS to deploy when deployment conditions are met.
...