Toyota Sienna Service Manual: Random / Multiple Cylinder Misfire Detected/ Cylinder Misfire Detected
DTC P0300 Random / Multiple Cylinder Misfire Detected
DTC P0301 Cylinder 1 Misfire Detected
DTC P0302 Cylinder 2 Misfire Detected
DTC P0303 Cylinder 3 Misfire Detected
DTC P0304 Cylinder 4 Misfire Detected
DTC P0305 Cylinder 5 Misfire Detected
DTC P0306 Cylinder 6 Misfire Detected
DESCRIPTION

When the engine misfires, high concentrations of hydrocarbons (HC) enter the
exhaust gas. High HC
concentration levels can cause increase in exhaust emission levels. Extremely
high concentrations of HC
can also cause increases in the Three-Way Catalytic Converter (TWC) temperature,
which may cause
damage to the TWC. To prevent this increase in emissions and to limit the
possibility of thermal damage,
the ECM monitors the misfire rate. When the temperature of the TWC reaches the
point of thermal
degradation, the ECM blinks the MIL. To monitor misfires, the ECM uses both the
VVT sensor and the
Crankshaft Position (CKP) sensor. The VVT sensor is used to identify any
misfiring cylinders and the CKP
sensor is used to measure variations in the crankshaft rotation speed. Misfires
are counted when the
crankshaft rotation speed variations exceed predetermined thresholds. If the
misfire count exceeds the
threshold levels, the ECM illuminates the MIL and sets a DTC.
|
DTC No. |
DTC Detection Condition |
Trouble Area |
| P0300 |
Simultaneous misfiring of several cylinders occurs and one of
following conditions below is detected (2 trip detection logic):
- High temperature misfire occurs in Three-Way Catalytic
Converter (TWC) (MIL blinks)
- Emission deterioration misfire occurs (MIL illuminates)
|
- Open or short in engine wire harness
- Connector connection
- Vacuum hose connections
- Ignition system
- Injector
- Fuel pressure
- Mass Air Flow (MAF) meter
- Engine Coolant Temperature (ECT) sensor
- Compression pressure
- Valve clearance
- Valve timing
- PCV valve and hose
- PCV hose connections
- Intake system
- ECM
|
P0301
P0302
P0303
P0304
P0305
P0306 |
Misfiring of specific cylinder occurs and one of following
conditions below is detected (2 trip detection logic):
- High temperature misfire occurs in Three-Way Catalytic
Converter (TWC) (MIL blinks)
- Emission deterioration misfire occurs (MIL illuminates)
|
When multiple DTCs for misfiring cylinders are set, but DTC P0300 is not set,
it indicates that misfires
have been detected in different cylinders at different times. DTC P0300 is only
set when several misfiring
cylinders are detected at the same time.
MONITOR DESCRIPTION
The ECM illuminates the MIL and sets a DTC when either one of the following
conditions, which could
cause emission deterioration, is detected (2 trip detection logic).
- Within the first 1000 crankshaft revolutions of the engine
starting, an excessive misfiring rate
(approximately 20 to 50 misfires per 1000 crankshaft revolutions) occurs
once.
- An excessive misfiring rate (approximately 20 to 50 misfires per
1,000 crankshaft revolutions) occurs a
total of 4 times.
- he ECM flashes the MIL and sets a DTC when either one of the following
conditions, which could cause
the Three-Way Catalytic Converter (TWC) damage, is detected (2 trip
detection logic).
- At a high engine rpm, a catalyst damage misfire, which monitored
every 200 crankshaft revolutions,
occurs once.
- At a normal engine rpm, a catalyst damage misfire, which monitored
every 200 crankshaft revolutions,
occurs 3 times.
HINT:
If a catalyst damage misfire occurs, the ECM informs the driver by flashing the
MIL.
MONITOR STRATEGY

TYPICAL ENABLING CONDITIONS
Misfire:

Monitor period of emission-related-misfire:


Monitor period of catalyst-damage-misfire (MIL blinks):

TYPICAL MALFUNCTION THRESHOLDS
Monitor period of emission-related-misfire:

Monitor period of catalyst-damage-misfire (MIL blinks):

MONITOR RESULT
Refer to CHECKING MONITOR STATUS.
WIRING DIAGRAM
Refer to DTC P0351 for wiring diagram of the ignition system

CONFIRMATION DRIVING PATTERN
- Connect the intelligent tester to the DLC3.
- Turn the ignition switch to the ON position.
- Turn the tester on.
- Record the DTC(s) and freeze frame data.
- Using the tester, switch the ECM from normal mode to check mode.
- Read the misfire counts of each cylinder (CYL #1 to #6) with the engine
in an idling condition. If any
misfire count is displayed, skip the following confirmation driving pattern.
- Drive the vehicle several times with the conditions, such as engine rpm
and engine load, shown in
MISFIRE RPM and MISFIRE LOAD in the Data List.
HINT:
- In order to store misfire DTCs, it is necessary to operate the
vehicle for the period of time shown in
the table below, using the MISFIRE RPM and MISFIRE LOAD in the Data List.

- Check whether misfires have occurred by checking DTCs and freeze frame
data.
HINT:
Do not turn the ignition switch off until the stored DTC(s) and freeze frame
data have been recorded.
When the ECM returns to normal mode (default), the stored DTC(s), freeze
frame data and other data
will be erased.
- Record the DTC(s), freeze frame data and misfire counts.
- Turn the ignition switch OFF and wait for at least 5 seconds.
INSPECTION PROCEDURE
HINT:
- If any DTCs other than misfire DTCs are output, troubleshoot those
DTCs first.
- Read freeze frame data using the intelligent tester or Techstream.
Freeze frame data records the
engine condition when malfunctions are detected. When troubleshooting,
freeze frame data can help
determine if the vehicle was moving or stationary, if the engine was warmed
up or not, if the air-fuel
ratio was lean or rich, and other data from the time the malfunction
occurred.
- If the misfire does not recur when the vehicle is brought to the
workshop, reproduce the conditions
stored in the ECM as freeze frame data.
- If the misfire still cannot be reproduced even though the
conditions stored in the ECM as freeze frame
data have been reproduced, one of the following factors is considered to be
a possible cause of the
problem:
- There was insufficient fuel volume in the tank.
- Improper fuel is used.
- The spark plugs have been contaminated.
- Clear the DTC.
- Start the engine and conduct the confirmation driving pattern.
- Read the misfiring rates of each cylinder or DTC(s) using the tester.
- Repair the cylinder(s) that has a high misfiring rate or is indicated by
the DTC.
- After finishing repairs, conduct the confirmation driving pattern again,
in order to verify that DTC
P0300 is not set.
- When one of SHORT FT #1, LONG FT #1, SHORT FT #2 or LONG FT #2 in
the freeze frame data is
outside the range of +/-20%, the air-fuel ratio may be Rich (-20% or less)
or Lean (+20% or more).
- When the COOLANT TEMP in the freeze frame data is less than 75C
(167F), the misfire have
occurred only while warming up the engine.
1 CHECK ANY OTHER DTCS OUTPUT (IN ADDITION TO MISFIRE CODES)
- Connect the intelligent tester to the DLC3.
- Turn the ignition switch to the ON position.
- Turn the tester on.
- Select the following menu items: DIAGNOSIS /
ENHANCED OBD II / DTC INFO / CURRENT CODES.
- Read the DTCs.
Result

HINT:
If any DTCs other than P0300, P0301, P0302, P0303,
P0304, P0305 and P0306 are output, troubleshoot those
DTCs first.
HINT:
If any DTCs other than P0300, P0301, P0302, P0303, P0304,
P0305 and P0306 are output, troubleshoot those DTCs first.
2 READ VALUE OF INTELLIGENT TESTER (MISFIRE RPM AND MISFIRE LOAD)
- Connect the intelligent tester to the DLC3.
- Turn the ignition switch to the ON position and turn the
tester on.
- Select the following menu items: DIAGNOSIS /
ENHANCED OBD II / DATA LIST / MISFIRE / MISFIRE
RPM and MISFIRE LOAD.
- Read and note the MISFIRE RPM and MISFIRE LOAD
values.
HINT:
The MISFIRE RPM and MISFIRE LOAD values indicate
the vehicle conditions under which the misfire occurred.
3 CHECK PCV HOSE CONNECTIONS
OK:
PCV hose is correctly connected and is not damaged.
4 READ VALUE OF INTELLIGENT TESTER
- Connect the intelligent tester to the DLC3.
- Turn the ignition switch to the ON position and turn the
tester on.
- Select the following menu items: DIAGNOSIS /
ENHANCED OBD II / DATA LIST / CAT OT MF F/C.
- Read the value displayed on the tester.
Result

5 PERFORM ACTIVE TEST BY INTELLIGENT TESTER
- Connect the intelligent tester to the DLC3.
- Turn the ignition switch to the ON position and turn the
tester on.
- Select the following menu items: DIAGNOSIS /
ENHANCED OBD II / ACTIVE TEST / PRHBH CAT OT
F/C.
- Perform the Active Test.
NOTICE:
When performing the Active Test, make sure the
vehicle is stopped and either idling or being revved
within 3000 rpm.
6 READ VALUE OF INTELLIGENT TESTER
- Enter the following menus:
- Select: DIAGNOSIS / ENHANCED OBD II / DATA LIST /
USER DATA / CYL #1, #2, #3, #4, #5 and #6.
- Read each value for CYL #1 to #6 displayed on the tester.
If no misfire counts occur in any cylinders, perform the
following procedures:
- Start the engine and let it idle.
- Move the shift lever to the D position.
- Check the CYL #1 to #6.
- If misfire counts are still not displayed, perform steps
(c) and (d).
- Drive the vehicle with the MISFIRE RPM and MISFIRE
LOAD noted in the "READ VALUE USING INTELLIGENT
TESTER (MISFIRE RPM and MISFIRE LOAD )" procedures
above.
- Read the CYL #1 to #6 or DTCs displayed on the tester.
Result

HINT:
- If it is difficult to reproduce misfires for each cylinder, check
the Data List item called MISFIRE MARGIN. Try to find
vehicle driving conditions that lower the MISFIRE
MARGIN value. Values above 30% are considered normal.
- If the freeze frame data's record of the ECT is below 75C
(167F), the misfire may be detected only when the engine
is cold.
- If the freeze frame data's record of the ENG RUN TIME is
below 120 seconds, the misfire may be detected
immediately after the engine is started.
7 CHECK SPARK PLUG

- Remove the ignition coil and the spark plug of the
misfiring cylinder.
- Measure the spark plug electrode gap.
Maximum gap:
1.3 mm (0.0512 in.)
- Check the electrode for carbon deposits.
Recommended spark plug:

NOTICE:
If the electrode gap is larger than standard, replace
the spark plug. Do not adjust the electrode gap.
8 CHECK FOR SPARKS AND IGNITION
- Disconnect the injector connectors to prevent the engine
from starting.
CAUTION:
Always disconnect all injector connectors.
NOTICE:
Do not crank the engine for more than 2 seconds.
- Remove the ignition coil from the cylinder head.
- Install the spark plug onto the ignition coil.
- Attach the spark plug assembly to the cylinder head.
- Crank the engine for less than 2 seconds and check the
spark.
OK:
Sparks jump across electrode gap.
- Install the ignition coil.
- Reconnect the injector connectors
9 CHECK CYLINDER COMPRESSION PRESSURE OF MISFIRING CYLINDER
- Measure the cylinder compression pressure of the
misfiring cylinder
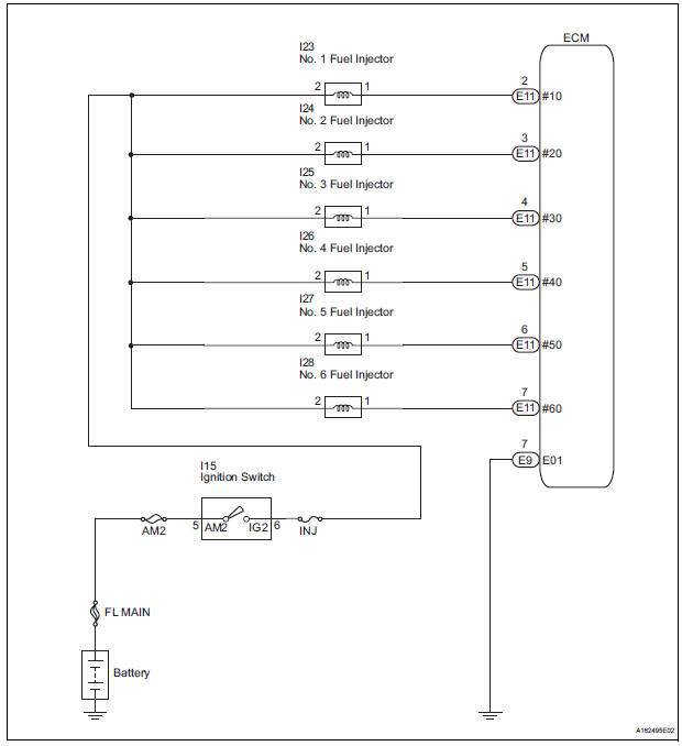
10 CHECK HARNESS AND CONNECTOR (ECM - INJECTOR)

- Disconnect the injector connector (of the misfiring
cylinder).
- Disconnect the E11 ECM connector.
- Turn the ignition switch to the ON position.
- Measure the voltage and resistance according to the
value(s) in the table below.
- Measure the resistance and voltage according to the
values in the table below.
Standard:
Cylinder No. 1

Cylinder No. 2

Cylinder No. 3

Cylinder No. 4


Cylinder No. 5

Cylinder No. 6

11 INSPECT ECM TERMINAL OF MISFIRING CYLINDER (#10, #20, #30, #40, #50 AND
/OR #60
VOLTAGE)

- Turn the ignition switch to the ON position.
- Measure the voltage according to the value(s) in the
table below.
Standard voltage

12 CHECK FUEL INJECTOR OF MISFIRING CYLINDER
- Check the injector injection (whether fuel volume is high or low, and
whether injection pattern is poor).
13 CHECK INTAKE SYSTEM
- Check the intake system for vacuum leakage.
OK:
No leakage from intake system.
14 CHECK VALVE TIMING (CHECK FOR LOOSE AND JUMPED TEETH ON TIMING
CHAIN)
15 CHECK FUEL PRESSURE
- Check the fuel pressure
16 READ VALUE OF INTELLIGENT TESTER (COOLANT TEMP)
- Connect the intelligent tester to the DLC3.
- Turn the ignition switch to the ON position.
- Turn the tester on.
- Select the following menu items: DIAGNOSIS /
ENHANCED OBD II / DATA LIST / PRIMARY /
COOLANT TEMP.
- Read the COOLANT TEMP twice, when the engine is
both cold and warmed up.
Standard:
With cold engine:
Same as ambient air temperature.
With warm engine:
Between 75C and 95C (167F and 203F).
17 READ VALUE OF INTELLIGENT TESTER (MASS AIR FLOW METER)
- Connect the intelligent tester to the DLC3.
- Turn the ignition switch to the ON position.
- Turn the tester on.
- Select the following menu items: DIAGNOSIS /
ENHANCED OBD II / DATA LIST / PRIMARY / MAF and
COOLANT TEMP.
- Allow the engine to idle until the COOLANT TEMP
reaches 75C (167F) or more.
- Read the MAF with the engine in an idling condition and
at an engine speed of 2500 rpm.
Standard:
MAF while engine is idling:
Between 1.8 g/s and 4.7 g/s (shift position: N, A/
C: OFF).
MAF at engine speed of 2500 rpm:
Between 7.4 g/s and 18.9 g/s (shift position: N, A/
C: OFF).
REPLACE ECM
18 CHECK INTAKE SYSTEM
- Check the intake system for vacuum leakage.
OK:
No leakage from intake system.
19 CHECK VALVE TIMING (CHECK FOR LOOSE AND JUMPED TEETH ON TIMING
CHAIN)
20 CHECK FUEL PRESSURE
- Check the fuel pressure
21 READ VALUE OF INTELLIGENT TESTER (COOLANT TEMP)
- Connect the intelligent tester to the DLC3.
- Turn the ignition switch to the ON position.
- Turn the tester on.
- Select the following menu items: DIAGNOSIS /
ENHANCED OBD II / DATA LIST / PRIMARY /
COOLANT TEMP.
- Read the COOLANT TEMP twice, when the engine is
both cold and warmed up.
Standard:
With cold engine:
Same as ambient air temperature.
With warm engine:
Between 75C and 95C (167F and 203F).
22 READ VALUE OF INTELLIGENT TESTER (MASS AIR FLOW METER)
- Connect the intelligent tester to the DLC3.
- Turn the ignition switch to the ON position.
- Turn the tester on.
- Select the following menu items: DIAGNOSIS /
ENHANCED OBD II / DATA LIST / PRIMARY / MAF and
COOLANT TEMP.
- Allow the engine to idle until the COOLANT TEMP
reaches 75C (167F) or more.
- Read the MAF with the engine in an idling condition and
at an engine speed of 2500 rpm.
Standard:
MAF while engine is idling:
Between 1.8 g/s and 4.7 g/s (shift position: N, A/
C: OFF).
MAF at engine speed of 2500 rpm:
Between 7.4 g/s and 18.9 g/s (shift position: N, A/
C: OFF).
23 CHECK SPARK PLUG

- Remove the ignition coil and the spark plug of the
misfiring cylinder.
- Measure the spark plug electrode gap.
Maximum gap:
1.3 mm (0.0512 in.)
- Check the electrode for carbon deposits.
Recommended spark plug:

NOTICE:
If the electrode gap is larger than standard, replace
the spark plug. Do not adjust the electrode gap.
24 CHECK FOR SPARKS AND IGNITION (SPARK TEST)

- Disconnect the injector connectors to prevent the engine
from starting.
CAUTION:
Always disconnect all injector connectors.
NOTICE:
Do not crank the engine for more than 2 seconds.
- Remove the ignition coil from the cylinder head.
- Install the spark plug onto the ignition coil.
- Attach the spark plug assembly to the cylinder head.
- Crank the engine for less than 2 seconds and check the
spark.
OK:
Sparks jump across electrode gap.
- Install the ignition coil.
- Reconnect the injector connectors.
25 CHECK CYLINDER COMPRESSION PRESSURE OF MISFIRING CYLINDER
- Measure the cylinder compression pressure of the
misfiring cylinder
26 CHECK HARNESS AND CONNECTOR (ECM - INJECTOR)

- Disconnect the injector connector (of the misfiring
cylinder).
- Disconnect the E11 ECM connector.
- Turn the ignition switch to the ON position.
- Measure the voltage and resistance according to the
value(s) in the table below.
- Measure the resistance and voltage according to the
values in the table below.
Standard:
Cylinder No. 1

Cylinder No. 2

Cylinder No. 3

Cylinder No. 4

Cylinder No. 5

Cylinder No. 6

27 INSPECT ECM TERMINAL OF MISFIRING CYLINDER (#10, #20, #30, #40, #50 AND
/OR #60
VOLTAGE)

- Turn the ignition switch to the ON position.
- Measure the voltage according to the value(s) in the
table below.
Standard voltage

28 CHECK FUEL INJECTOR OF MISFIRING CYLINDER
- Check the injector injection (whether fuel volume is high or low, and
whether injection pattern is poor).
REPLACE ECM
29 CHANGE TO NORMAL SPARK PLUG AND CHECK SPARK OF MISFIRING CYLINDER
- Change the installed spark plug to a spark plug that
functions normally.
- Perform a spark test.
CAUTION:
Always disconnect all injector connectors.
NOTICE:
Do not crank the engine for more than 2 seconds.
- Install the spark plug to the ignition coil and connect
the ignition coil connector.
- Disconnect the injector connector.
- Ground the spark plug.
- Check if sparks occur while the engine is being
cranked
OK:
Sparks jump across electrode gap.
REPLACE SPARK PLUG
30 CHANGE TO NORMAL IGNITION COIL AND CHECK SPARK OF MISFIRING CYLINDER
REPLACE IGNITION COIL
DTC P0230 Fuel Pump Primary Circuit
DESCRIPTION
This DTC is designed to detect a malfunction in the fuel pump
(FUEL PUMP) relay circuit. When the
system is normal, the battery voltage ...
DTC P0327 Knock Sensor 1 Circuit Low Input (Bank 1 or
Single Sensor)
DTC P0328 Knock Sensor 1 Circuit High Input (Bank 1 or
Single Sensor)
DTC P0332 Knock Sensor 2 Circuit Low Input (Bank 2)
DTC ...
Other materials:
Problem symptoms table
HINT:
Use the table below to help determine the cause of the
problem symptom. The potential causes of the symptoms
are listed in order of probability in the "Suspected Area"
column of the table. Check each symptom by checking the
suspected areas in the order they are listed. Re ...
Perform zero point calibration of yaw rate and deceleration sensor (when
using sst check wire)
NOTICE:
While obtaining the zero point, do not vibrate the
vehicle by tilting, moving or shaking it and keep it
in a stationary condition. (Do not turn the ignition
switch to the ON position.)
Be sure to do this on a level surface (with an
inclination of less than 1 %).
(a) Proc ...
Passenger Side Buckle Switch Circuit Malfunction
DTC B1771 Passenger Side Buckle Switch Circuit Malfunction
DESCRIPTION
The passenger side buckle switch circuit consists of the occupant
classification ECU and the front seat
inner belt assembly RH.
DTC B1771 is recorded when a malfunction is detected in the passenger side
buckle switch ci ...