Toyota Sienna Service Manual: Short in Driver Side Squib 2nd Step Circuit
DTC B1180/17 Short in Driver Side Squib 2nd Step Circuit
DESCRIPTION
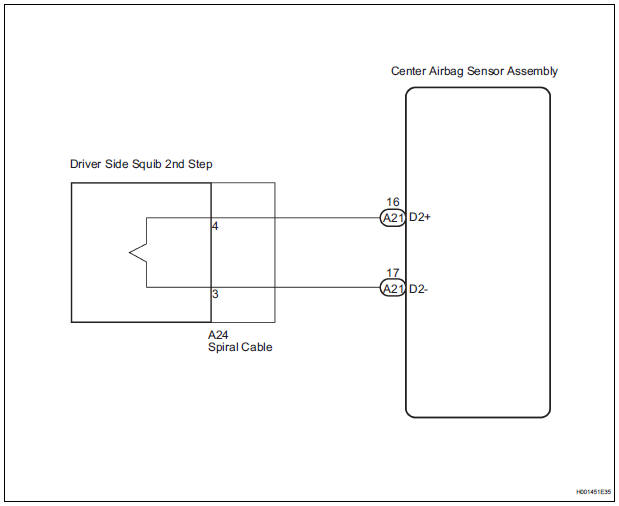
The driver side squib 2nd step circuit consists of the center airbag sensor
assembly, the spiral cable and
the steering pad.
The circuit instructs the SRS to deploy when deployment conditions are met.
DTC B1180/17 is recorded when a short circuit is detected in the driver side
squib 2nd step circuit.
|
DTC No. |
DTC Detecting Condition |
Trouble Area |
|
B1180/17 |
- Short circuit between D2+ wire harness and D2-
wire harness of driver side squib 2nd step
- Driver side squib 2nd step malfunction
- Spiral cable malfunction
- Center airbag sensor assembly malfunction
|
- Steering pad (Driver side squib 2nd step)
- Spiral cable
- Center airbag sensor assembly
- Instrument panel wire
|
WIRING DIAGRAM

INSPECTION PROCEDURE
HINT:
- Perform the simulation method by selecting the "check mode"
(signal check) with the intelligent tester
- After selecting the "check mode" (signal check), perform the simulation
method by wiggling each
connector of the airbag system or driving the vehicle on a city or rough
road
1 CHECK STEERING PAD (DRIVER SIDE SQUIB 2ND STEP)

- Turn the ignition switch to the LOCK position.
- Disconnect the negative (-) terminal cable from the
battery, and wait for at least 90 seconds.
- Disconnect the connectors from the steering pad.
- Connect the white wire side of SST (resistance 2.1 Ω) to
the spiral cable.
CAUTION:
Never connect a tester to the steering pad (driver
side squib 2nd step) for measurement, as this may
lead to a serious injury due to airbag deployment.
NOTICE:
Do not forcibly insert the SST into the terminals of
the connector when connecting.
Insert the SST straight into the terminals of the
connector.
SST 09843-18060
- Connect the negative (-) terminal cable to the battery,
and wait for at least 2 seconds.
- Turn the ignition switch to the ON position, and wait for at
least 60 seconds.
- Clear the DTCs stored in memory (5).
- Turn the ignition switch to the LOCK position.
- Turn the ignition switch to the ON position, and wait for at
least 60 seconds.
- Check the DTCs (5).
OK:
DTC B1180/17 is not output.
HINT:
Codes other than DTC B1180/17 may be output at this
time, but they are not related to this check.
Go to step 2

REPLACE STEERING PAD
2 CHECK CONNECTORS
- Turn the ignition switch to the LOCK position.
- Disconnect the negative (-) terminal cable from the
battery, and wait for at least 90 seconds.
- Disconnect the SST (resistance 2.1 Ω) from the spiral
cable.
- Check that the spiral cable connectors (on the steering
pad side) are not damaged.
OK:
The lock button is not disengaged, and the claw of
the lock is not deformed or damaged.
REPLACE SPIRAL CABLE

3 CHECK DRIVER SIDE SQUIB 2ND STEP CIRCUIT

- Disconnect the connector from the center airbag sensor
assembly.
- Release the activation prevention mechanism built into
connector "B" (7).
- Measure the resistance according to the value(s) in the
table below.
Standard resistance

Go to step 5

4 CHECK CENTER AIRBAG SENSOR ASSEMBLY

- Connect the connectors to the steering pad and the
center airbag sensor assembly.
- Connect the negative (-) terminal cable to the battery,
and wait for at least 2 seconds.
- Turn the ignition switch to the ON position, and wait for at
least 60 seconds.
- Clear the DTCs stored in memory (5).
- Turn the ignition switch to the LOCK position.
- Turn the ignition switch to the ON position, and wait for at
least 60 seconds.
- Check the DTCs (5).
OK:
DTC B1180/17 is not output.
HINT:
Codes other than DTC B1180/17 may be output at this
time, but they are not related to this check.
REPLACE CENTER AIRBAG SENSOR
ASSEMBLY

USE SIMULATION METHOD TO CHECK
5 CHECK INSTRUMENT PANEL WIRE

- Disconnect the instrument panel wire connector from the
spiral cable.
HINT:
The activation prevention mechanism of connector "B"
has already been released.
- Measure the resistance according to the value(s) in the
table below.
Standard resistance

REPAIR OR REPLACE INSTRUMENT
PANEL
WIRE

6 CHECK SPIRAL CABLE

- Release the activation prevention mechanism built into
connector "D" (7).
- Measure the resistance according to the value(s) in the
table below.
Standard resistance

REPLACE SPIRAL CABLE

USE SIMULATION METHOD TO CHECK
DTC B1168/86 Short to B+ in Curtain Shield Squib LH Circuit
DESCRIPTION
The curtain shield squib LH circuit consists of the center airbag sensor
assembly and the curtain shield
airbag assembly LH ...
DTC B1181/18 Open in Driver Side Squib 2nd Step Circuit
DESCRIPTION
The driver side squib 2nd step circuit consists of the center airbag sensor
assembly, the spiral cable and
the steering pad.
...
Other materials:
Removal
1. REMOVE EXHAUST PIPE ASSEMBLY
(a) Remove exhaust pipe assembly (See page EX-8).
2. REMOVE PROPELLER W/CENTER BEARING SHAFT ASSEMBLY
(a) Depress the brake pedal and hold it down.
(b) Using a hexagon wrench (6 mm), loosen the cross
groove joint set bolts a half turn.
HINT:
Place a cloth ...
Removal
1. PRECAUTION
CAUTION:
Be sure to read "PRECAUTION" thoroughly before servicing.
2. DISCONNECT CABLE FROM NEGATIVE BATTERY
TERMINAL
CAUTION:
Wait for 90 seconds after disconnecting the cable to
prevent the airbag working.
3. REMOVE FRONT SEAT ASSEMBLY (for Manual Seat)
4. REMOVE F ...
Radiator
COMPONENTS
...