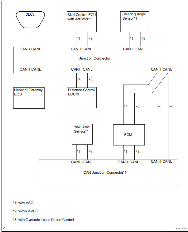
1. JUNCTION CONNECTOR

with VSC

HINT: *1: with Dynamic laser cruise control
without VSC


with VSC


2. DLC3

Standard resistance

3. ECM

Standard resistance

4. NETWORK GATEWAY ECU

Standard resistance

5. SKID CONTROL ECU WITH ACTUATOR

Standard resistance


6. STEERING ANGLE SENSOR

Standard resistance

7. YAW RATE SENSOR

Standard resistance

8. DISTANCE CONTROL ECU


Standard resistance

Problem symptoms table
Diagnosis systemRemoval
1. REMOVE REAR WHEEL
2. REMOVE REAR SHOCK ABSORBER CAP LH
(a) Remove the shock absorber head cover.
(b) Remove the shock absorber cap LH.
3. REMOVE SHOCK ABSORBER ASSEMBLY REAR LH
(a) Support the rear axle beam with a jack.
(b) Using a 6 mm hexagon wrench to hold the piston
rod, ...
Power back door opener / closer switch
INSPECTION
1. INSPECT SATELLITE SWITCH
Inspect the resistance of the back door switch.
Resistance
If the result is not as specified, replace the switch.
Apply battery voltage and check whether the switch
illuminates.
Standard
HINT:
Whether the switch illuminates or not wi ...
Auto Up Operation does not Fully Close Power Window (Jam
Protection Function is Activated)
DESCRIPTION
If AUTO UP operation does not fully close the power window, the following
conditions may be the cause.
The reset of the power window motor has not been completed,
resulting in activation of the jam
protection function.
The memory of the power window switch misse ...