INSPECTION
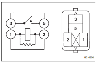
1. INSPECT AIR FUEL RATIO SENSOR RELAY

(a) Using an ohmmeter, measure the resistance according to the value(s) in the table below.
Standard resistance

If the result is not as specified, replace the relay.
Circuit opening relay
EngineDiagnostic trouble code chart
If a DTC is displayed during the DTC check, check the parts
listed in the table below and proceed to the page given.
HINT:
*1: Comes on MIL (Malfunction Indicator Lamp) light up
*2: "DTC stored" mark means ECM memorizes the
malfunction code if the ECM detects the DTC detection
...
Power Slide Door LH does not Operate When Satellite Switch is
Pressed
DESCRIPTION
The power slide door operates only when the power slide door main
switch is ON (switch free: orange
paint on the top of the switch appears). The power slide door ECU LH
controls the power slide door LH,
which activates the slide door motor to open / close the slide do ...
Accelerator pedal rod
COMPONENTS
ON-VEHICLE INSPECTION
1. CHECK ACCELERATOR PEDAL ROD
(a) Check the voltage.
(1) Connect the intelligent tester to the DLC3.
(2) Turn the ignition switch to the ON position.
(3) Turn the intelligent tester on.
(4) Select the menu items: DIAGNOSIS /
ENHANCED OBD II / D ...