DESCRIPTION
This circuit turns the servo motor and changes each damper position by receiving the signals from the A/ C amplifier.
The air outlet damper servo motor switches the air outlet mode by rotating (normal, reverse) with electrical power from the A/C amplifier.
When the AUTO switch is on, the A/C amplifier changes the mode between "FACE",
"FACE/FOOT" and
"FOOT" according to the temperature setting.
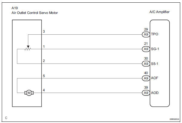
WIRING DIAGRAM

INSPECTION PROCEDURE
1 READ VALUE OF INTELLIGENT TESTER
(a) Connect the intelligent tester to the DLC3.
(b) Turn the ignition switch to the ON position and turn the intelligent tester main switch on.
(c) Select the items below in the DATA LIST, and read the display on the intelligent tester.
DATA LIST / AIR CONDITIONER 
OK: When the target position is "FACE" (0%), the actual opening angle is 19.0% or less.
When the target position is "DEF" (100%), the actual opening angle is 81.0% or more.
Result 


2 PERFORM ACTIVE TEST BY INTELLIGENT TESTER
(a) Connect the intelligent tester to the DLC3.
(b) Turn the ignition switch to the ON position and turn the intelligent tester main switch on.
(c) Select the item below in the ACTIVE TEST and then check that the air flow position by hand.
ACTIVE TEST / AIR CONDITIONER 
OK: Air comes out from the selected air outlet.
Result 

3 PERFORM ACTUATOR CHECK
(a) Warm up the engine.
(b) Enter the actuator check mode (See page AC-15).
(c) Press the DEF switch and change to step operation.
(d) Press the DEF switch and check the air flow by hand.

OK: Air outlet mode changes in accordance with each display code.
Result 


4 INSPECT AIR OUTLET CONTROL SERVO MOTOR

(a) Remove the air outlet control servo motor.
(b) Disconnect the connector from the air outlet control servo motor.
(c) Connect the positive (+) lead from the battery to terminal 4 and the negative (-) lead to terminal 5, then check that the lever turns to the "DEF" position smoothly.
OK: Lever turns to "DEF" position smoothly.
(d) Connect the positive (+) lead from the battery to terminal 5 and the negative (-) lead to terminal 4, then check that the lever turn to the "FACE" position smoothly.
OK: Lever turns to "FACE" position smoothly.

5 CHECK HARNESS AND CONNECTOR (AIR OUTLET CONTROL SERVO MOTOR - A/C AMPLIFIER)

(a) Disconnect the connector from the A/C amplifier.

(b) Measure the resistance according to the value(s) in the table below.
Standard resistance 


REPLACE A/C AMPLIFIER
Air Inlet Damper Control Servo Motor Circuit
Air Mix Damper Control Servo Motor Circuit (Driver Side)Ambient temperature sensor circuit
DTC B1412/12 Ambient Temperature Sensor Circuit
DESCRIPTION
The ambient temperature sensor is installed in front of the condenser to
detect the ambient temperature
which is used to control the air conditioner "AUTO" mode. This sensor is
connected to the A/C amplifier
and detects fl ...
Open in Front Passenger Side Squib 2nd Step
Circuit
DTC B1186/58 Open in Front Passenger Side Squib 2nd Step
Circuit
DESCRIPTION
The front passenger side squib 2nd step circuit consists of the center airbag
sensor assembly and the
front passenger airbag assembly.
The circuit instructs the SRS to deploy when deployment conditions are met.
...
The Rear Cross Traffic Alert function detection areas
The areas that vehicles can be detected in are outlined below.
To give the driver a more consistent time to react, the buzzer can alert
for faster vehicles from farther away.
Example:
The Rear Cross Traffic Alert function is operational when
The BSM main switch is set to on.
The ...