INSPECTION
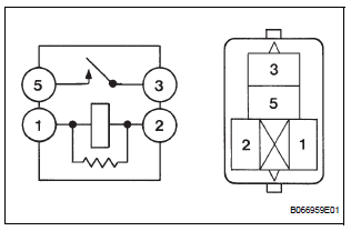
1. INSPECT HORN RELAY

Standard

Horn system
Low pitched hornRight Rear Wheel Speed Sensor Signal
DESCRIPTION
Refer to DTCs C0200/31, C0205/32, C1235/35 and C1236/36 (See page BC-92).
HINT:
DTC C0210/33 and C1238/38 are for the right rear speed sensor.
DTC C0215/34 and C1239/39 are for the left rear speed sensor.
WIRING DIAGRAM
INSPECTION PROCEDURE
1 READ VALUE ON INTELL ...
Master cylinder pressure sensor check (when using sst check wire)
(a) Leave the vehicle in a stationary condition and
release the brake pedal for 1 second or more, and
quickly depress the brake pedal with a force of 98 N
(10 kgf, 22 lbf) or more for 1 second or more.
(b) Check the ABS warning light stays on for 3
seconds.
HINT:
At this time, the ABS wa ...
Sleep Operation Failure of Occupant Classification
ECU
DTC B1796 Sleep Operation Failure of Occupant Classification
ECU
DESCRIPTION
During sleep mode, the occupant classification ECU reads the condition of
each sensor while the ignition
switch is off.
In this mode, if the occupant classification ECU detects an internal
malfunction, DTC B1796 ...