DTC B1200 MPX Body ECU Stop
DESCRIPTION
This DTC is detected when communication between the multiplex network body ECU and the multiplex network gateway ECU stops for more than 10 seconds.
|
DTC No. |
DTC Detection Condition |
Trouble Area |
|
B1200 |
Body ECU communication stops |
|
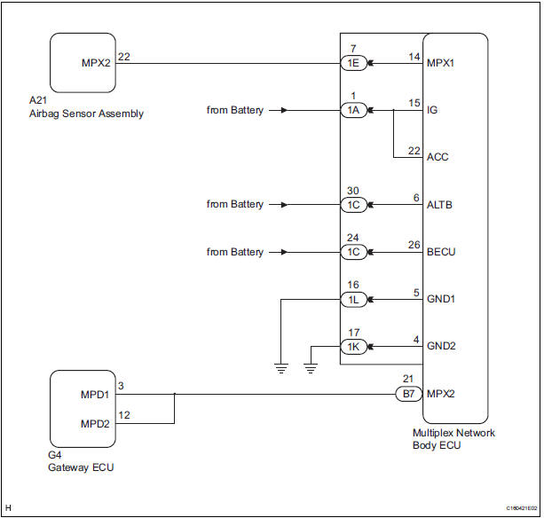
WIRING DIAGRAM

INSPECTION PROCEDURE
1 CHECK HARNESS AND CONNECTOR (MULTIPLEX NETWORK BODY ECU - BATTERY)

Standard voltage

2 CHECK HARNESS AND CONNECTOR (MULTIPLEX NETWORK BODY ECU - GROUND)

Standard resistance

3 CHECK COMMUNICATION LINE

Standard resistance

Result

REPLACE MULTIPLEX NETWORK BODY ECU
Diagnostic trouble code chart
Passenger Side Outer Mirror ECUManual Up / Down Function does not Operate on Rear LH Only
DESCRIPTION
If the manual UP/DOWN function does not operate, the power window motor, the
regulator switch or the
wire harness may be malfunctioning.
WIRING DIAGRAM
INSPECTION PROCEDURE
1 CHECK WIRE HARNESS (POWER SOURCE)
Disconnect the P38 regulator switch connector.
Turn ...
Intake Air Temperature Circuit
DESCRIPTION
The Intake Air Temperature (IAT) sensor, mounted on the Mass Air Flow (MAF)
meter, monitors the IAT.
The IAT sensor has a built-in thermistor with a resistance that varies according
to the temperature of the
intake air. When the IAT is low, the resistance of the thermistor i ...
Programming the HomeLink® (for U.S.A. owners)
The HomeLink® compatible transceiver in your vehicle has 3 buttons
which can be programmed to operate 3 different devices. Refer to the
programming method below appropriate for the device.
Indicator light
Buttons
Programming the HomeLink®
Point the remote control for
the d ...