DTC C1249/49 Open in Stop Light Switch Circuit
DESCRIPTION

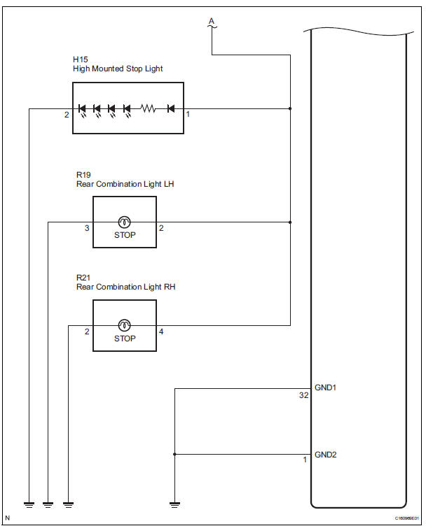
WIRING DIAGRAM


INSPECTION PROCEDURE
1 CHECK STOP LIGHT SWITCH OPERATION
(a) Check that the stop light comes on when the brake pedal is depressed and goes off when the brake pedal is released.
OK 
HINT: Check the stop light bulb as it may have burnt out.


2 INSPECT SKID CONTROL ECU (STP1 TERMINAL)

(a) Disconnect the skid control ECU connector.
(b) Measure the voltage according to the value(s) in the table below.
Standard voltage 


3 RECONFIRM DTC
(a) Clear the DTCs (See page BC-82).
(b) Turn the ignition switch to the ON position.
(c) Are the same DTCs detected?
Result 
NOTICE: When replacing the brake actuator assembly, perform zero point calibration (See page BC-70).


REPLACE BRAKE ACTUATOR ASSEMBLY
4 INSPECT STOP LIGHT SWITCH

(a) Disconnect the stop light switch assembly connector.
(b) Measure the resistance according to the value(s) in the table below.
Standard resistance 


5 CHECK HARNESS AND CONNECTOR (STOP LIGHT SWITCH - SKID CONTROL ECU)

(a) Disconnect the stop light switch connector and skid control ECU connector.
(b) Measure the resistance according to the value(s) in the table below.
Standard resistance 
NOTICE: When replacing the brake actuator assembly, perform zero point calibration (See page BC-70).


REPLACE BRAKE ACTUATOR ASSEMBLY
Master Cylinder Pressure Sensor Malfunction
Open in Pump Motor CircuitWhen towing full-time 4wd vehicles
Use one of the methods shown below to tow the
vehicle.
If the vehicle has trouble with the chassis or drive
train, use method 1 (flat bed truck).
WHEN TOWING FULL-TIME 4WD VEHICLES
NOTICE: Do not use any towing method other than those shown above.
The towing methods shown b ...
Oxygen (A/F) Sensor Heater Control Circuit
Low/ Oxygen (A/F) Sensor Heater Control Circuit
High
DTC P0031 Oxygen (A/F) Sensor Heater Control Circuit
Low (Bank 1 Sensor 1)
DTC P0032 Oxygen (A/F) Sensor Heater Control Circuit
High (Bank 1 Sensor 1)
DTC P0051 Oxygen (A/F) Sensor Heater Control Circuit
Low (Bank 2 Sensor 1)
DTC P0052 Oxygen (A/F) Sensor Heater Control Circuit
High (Bank 2 S ...
Installation
1. INSTALL WATER PUMP ASSEMBLY
(a) Install a new water pump gasket and the water
pump assembly with the 16 bolts.
Torque: Bolt A
21 N*m (214 kgf*cm, 15 ft.*lbf)
Bolts B and C
9.1 N*m (93 kgf*cm, 81 in.*lbf)
NOTICE:
Make sure that there is no oil on the threads
of bolts A.
...