Toyota Sienna Service Manual: Power Back Door does not Operate
DESCRIPTION
- The power back door operates only when the power back door main
switch is ON. The power back
door ECU controls the power back door by activating the back door motor
(built into the power back
door drive unit) to open / close the back door.
- A request signal from the satellite switch for power back door is
input to the body ECU, which then
sends this signal using a BEAN line to the power back door ECU so that the
power back door is
opened / closed.
- When a request signal is output from the satellite switch while the
power back door is operating, the
power back door reverses operation.
- If the power back door is manually moved in a specified distance
when the back door is in the fully
closed / opened position, the power back door will be activated and continue
to operate to the fully
opened / closed position.
- A request signal from the outside handle switch is directly input
to the power back door ECU.
- Pulling the outside handle switch when the back door is in the
fully closed position releases the latch
of the closer and makes the back door not-fully-closed, which does not
activate the power back door
to open. (The power back door operation can be switched by customization.)
- When a request signal is output from the outside handle switch
while the power back door is
operating, the power back door reverses operation.
- When a request signal is output from the outside handle switch
when the back door is in the fully
open position, the power back door is activated to fully close. (Power back
door operation can be
changed by customization.)
- When the touch sensor has an open / short-circuit, closing of the power
back door is disabled.
NOTICE:
When disconnecting the negative (-) terminal cable of the battery or drive unit,
initialize the power
back door system
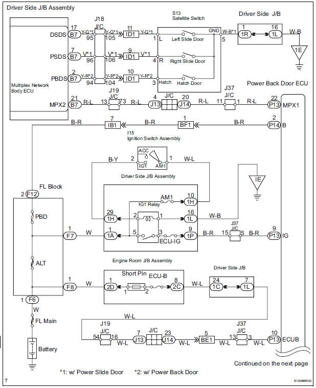
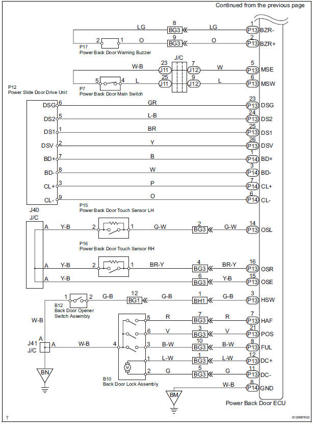
WIRING DIAGRAM


INSPECTION PROCEDURE
1 BASIC INSPECTION
- Conditions necessary for the power back door to open:
- Power back door main switch is in the ON position
(switch free: orange paint on the top of the switch
appears).
- Back door is between the fully closed position and
approximately around the half-open position.
- Shift lever is in the P position when the ignition
switch is ON (When the ignition switch is OFF, the
power back door operates in any position of the shift
lever.)
- Conditions necessary for the power back door to close:
- Power back door main switch is in the ON position
(switch free: orange paint on the top of the switch
appears).
- Back door is between approximately around the
half-open position and the fully open position.
- Back door touch sensor is not damaged and
deformed.
2 INSPECT FUSE (ECU-B, ECU IG, AM1)
- Inspect the ECU-B, ECU IG and AM1 fuses.
3 CHECK DTC
- Check for DTC B2222. DTC B2222 indicates a pulse
sensor malfunction.
- Without code outputs, proceed to A.
- With code outputs, proceed to B.
4 INSPECT COMMUNICATION FUNCTION OF LARGE-SCALE MULTIPLEX
COMMUNICATION SYSTEM (BEAN)
- Use the intelligent tester to check for normal function of
the multiplex communication system.
- (ECU unconnected, communication line
malfunctioning) Without DTC B1214, B1215 or
B1287 outputs, proceed to A.
- (ECU unconnected, communication line
malfunctioning) With DTC B1214, B1215 or B1287
outputs, proceed to B.
5 READ VALUE OF INTELLIGENT TESTER
- Using the intelligent tester, check the DATA LIST for
proper functioning of the power back door main switch.
OK (Power back door ECU):

6 INSPECT POWER BACK DOOR MAIN SWITCH

- Inspect the resistance of the main switch.
Resistance

HINT:
If the switch does not illuminate, it will not affect the ON /
OFF function of the switch. For the illumination check,
refer to INSPECTION
7 CHECK WIRE HARNESS (POWER BACK DOOR MAIN SWITCH - POWER BACK DOOR
ECU)

- Disconnect the P7 main switch and P13 ECU
connectors.
- Check the resistance between the wire harness side
connectors.
Resistance (Check for open circuit)

REPLACE POWER BACK DOOR ECU
8 CHECK SWITCH OPERATION
- If the power back door does not respond to using the
satellite switch, proceed to A.
- If the power back door does not respond to using the
back door opener switch outside, proceed to B.
9 INSPECT SATELLITE SWITCH

- Inspect the resistance of the back door switch.
Resistance

HINT:
If the switch does not illuminate, it will not affect the ON /
OFF function of the switch. For the illumination check,
refer to INSPECTION
10 CHECK WIRE HARNESS (SATELLITE SWITCH - DRIVER SIDE J/B, BODY GROUND)

- Disconnect the S13 switch and the B7 ECU connectors.
- Check the resistance between the wire harness side
connectors.
Resistance (Check for open circuit)

- Check the resistance between the S13 switch connector
and body ground.
Resistance (Check for open circuit)

REPAIR OR REPLACE HARNESS AND CONNECTOR
11 READ VALUE OF INTELLIGENT TESTER
- Using the intelligent tester, check the DATA LIST for
proper functioning of the back door opener switch
(Outside handle switch).
OK (Power back door ECU):

12 INSPECT BACK DOOR OPENER SWITCH ASSEMBLY (OUTSIDE HANDLE SWITCH)

- Inspect the resistance of the switch.
Resistance

13 CHECK WIRE HARNESS (BACK DOOR OPENER SWITCH - POWER BACK DOOR ECU
AND GROUND)

- Disconnect the B12 switch and P13 ECU connectors.
- Check the resistance between the wire harness side
connectors.
Resistance (Check for open circuit)

- Check the resistance between the B12 switch connector
and body ground.
Resistance (Check for open circuit)

REPLACE POWER BACK DOOR ECU
14 READ VALUE OF INTELLIGENT TESTER
- Using the intelligent tester, check the DATA LIST for
proper functioning of the power back door touch sensor
LH.
OK (Power back door ECU):

15 INSPECT POWER BACK DOOR TOUCH SENSOR LH

- Check the resistance of the sensor.
Resistance

16 CHECK WIRE HARNESS (POWER BACK DOOR TOUCH SENSOR LH - POWER BACK
DOOR ECU)

- Disconnect the P15 sensor and P13 ECU connectors.
- Check the resistance between the wire harness side
connectors.
Resistance (Check for open circuit)

REPLACE POWER BACK DOOR ECU
17 READ VALUE OF INTELLIGENT TESTER
- Using the intelligent tester, check the DATA LIST for
proper functioning of the power back door touch sensor
RH.
OK (Power back door ECU):

18 INSPECT POWER SLIDE DOOR WARNING BUZZER

- Check the resistance of the sensor.
Resistance

19 CHECK WIRE HARNESS (POWER BACK DOOR TOUCH SENSOR RH - POWER BACK
DOOR ECU)

- Disconnect the P16 sensor and P13 ECU connectors.
- Check the resistance between the wire harness side
connectors.
Resistance (Check for open circuit)

REPLACE POWER BACK DOOR ECU
20 PERFORM ACTIVE TEST BY INTELLIGENT TESTER
- Select the ACTIVE TEST and then check that the power
back door drive unit operates.
HINT:
During the ACTIVE TEST, the intelligent tester sends a
signal to the power back door ECU to drive the power
back door drive unit. If the power back door drive unit
operates, the power back door drive unit itself and the
wire harness between the power back door drive unit
and power back door ECU are considered to be
functionary normally
OK (Power back door ECU):

21 INSPECT POWER BACK DOOR DRIVE UNIT

- Remove the unit.
- Connect the battery positive (+) lead to terminal 3 and
battery negative (-) terminal lead to terminal 9.
- Apply battery voltage to the terminals and check the
motor operation.
OK

- Check the resistance of the clutch terminals.
Resistance

- Reinstall the unit with the connector connected.

- Check the pulse of the pulse sensor.
- Using an oscilloscope, check the pulse generated
when the door is manually opened and closed.
Reference

HINT:
A cycle of the pulse changes between approx. 10 to
20 msec. according to the speeds that the slide door
is moving.
NOTICE:
When disconnecting the drive unit, initialize the
power back door system
22 CHECK WIRE HARNESS (POWER BACK DOOR DRIVE UNIT - POWER BACK DOOR ECU)

- Disconnect the P12 unit and P13 ECU connectors.
- Check the resistance between the wire harness side
connectors.
Resistance (Check for open circuit)

REPLACE POWER BACK DOOR ECU
23 READ VALUE OF INTELLIGENT TESTER
- Using the intelligent tester, check the DATA LIST for
proper functioning of the switches listed below.
OK (Power back door ECU):

24 INSPECT BACK DOOR LOCK ASSEMBLY
25 CHECK WIRE HARNESS (BACK DOOR LOCK ASSEMBLY - POWER BACK DOOR ECU)
26 REPLACE POWER BACK DOOR ECU
- Check the power back door for normal OPEN / CLOSE
operation
SYSTEM NORMAL
DTC B2222 PBD Pulse Sensor Malfunction
DESCRIPTION
A pulse sensor is built into the back door for a jam and foreign
object detection and for back door
position detection. The jam and foreign ...
DESCRIPTION
It may be caused by ill-fitting back door, faulty touch sensor or
faulty pulse sensor.
The power back door ECU activates the back motor to open / close
the power back door, thu ...
Other materials:
Steering Pad Switch Circuit
DESCRIPTION
This circuit sends an operation signal from the steering pad switch to the
radio receiver.
If there is an open in the circuit, the navigation system cannot be operated
using the steering pad switch.
If there is a short in the circuit, the resulting condition is the same as if ...
Throttle / Pedal Position Sensor / Switch "D" Circuit Range / Performance
HINT:
This DTC relates to the Accelerator Pedal Position (APP) sensor.
DESCRIPTION
Refer to DTC P2120 (See page ES-343).
MONITOR DESCRIPTION
The accelerator pedal position sensor is mounted on the accelerator pedal
bracket. The accelerator pedal
position sensor has 2 sensor elements ...
On-vehicle inspection
1. INSPECT BACK WINDOW (DEFOGGER WIRE)
NOTICE:
When cleaning the glass, wipe the glass along the
wire using a soft and dry cloth. Take care not to
damage the wires.
Do not use detergents or glass cleaners including
abrasive ingredients.
When measuring voltage, wr ...