1. PRECAUTION
(a) Before inspecting and repairing the fuel system, disconnect the cable from the negative (-) battery terminal.
(b) Do not smoke or work near fire when handling the fuel system.
(c) Keep gasoline away from rubber or leather parts.
2. DISCHARGE FUEL SYSTEM PRESSURE (*1)
CAUTION:
|

a) Remove the circuit opening relay from the engine room relay block.
(b) Start the engine.
(c) After the engine stops, turn the engine switch off.
HINT: DTC P0171/25 (fuel problem) may be detected.
(d) Crank the engine again. Check that the engine does not start.
(e) Remove the fuel tank cap to discharge pressure from the fuel tank.
(f) Disconnect the cable from the negative (-) battery terminal.
(g) Reinstall the circuit opening relay.
3. FUEL SYSTEM
(a) When disconnecting the high pressure fuel line, a large amount of gasoline will spill out, so observe the following procedures:
(1) Discharge the fuel system pressure(*1).
(2) Disconnect the fuel pump tube (See page FU- 30).
(3) Drain the fuel that remains in the fuel pump tube.
(4) To protect the disconnected fuel pump tube from damage and contamination, cover it with a plastic bag.
(5) Put a container under the connectors.

(b) Observe the following precautions when removing and installing the fuel injectors:
(1) Never reuse an O-ring.
(2) When placing a new O-ring on the injector, do not damage the O-ring.
(3) Coat a new O-ring with spindle oil or gasoline before installing it.

| NOTICE: Do not use engine oil, gear oil or brake fluid. |
(c) Install the injector to the delivery pipe and the lower intake manifold as shown in the illustration.

| NOTICE: Before installing the injector, be sure to apply appropriate lubricant or gasoline to the place where the delivery pipe or cylinder head contacts the injector O-rings. |
(d) Observe the following precautions when disconnecting the fuel tube connectors (Quick type A):

(1) Remove the No. 1 fuel pipe clamp.
(2) Check that there is no dirt or other foreign objects on the pipe and around the connector before disconnecting them. Clean them if necessary.

(3) Disconnect the connector from the pipe by hand.
(4) If the connector and the pipe are stuck, push in and pull on the connector to release it. Pull the connector out of the pipe carefully.
(5) Check that there is no dirt or other foreign objects on the sealing surface of the disconnected pipe. Clean the surfaces if necessary.

(6) Do not damage the disconnected pipe or connector. Prevent entry of foreign objects by covering the connectors with plastic bags.
(e) Observe the following precautions when connecting the fuel tube connectors (Quick Type A):
(1) Check if there is any damage or foreign objects on the connecting parts of the pipes.
(2) Line up the 2 parts of the pipes to be connected, and push them together until the connector makes a "click" sound. If the pipe is difficult to push into the connector, apply a small amount of clean engine oil to the tip of the pipe and reinsert it.
(3) After connecting the pipes, check that the pipe and connector are securely connected by pulling on them.
(4) Check for fuel leaks.

(f) Observe the following precautions when disconnecting the fuel tube connector (Quick type B): (1) Before disconnecting the connector, clean off any dirt that may be present.
(2) Pinch the tabs of the fuel tube retainer to disengage the 2 claws. Push the retainer down as shown in the illustration.

HINT: Be sure to disconnect the connector by hand.

(3) If the connector and pipe are stuck, hold the fuel pipe by hand, push, and pull on the connector.
Pull the 2 pipes apart to separate the connector.
(4) Check if there is any dirt or any other foreign objects on the sealing surfaces of the disconnected pipes. Clean the sealing surfaces if necessary.

(5) Do not damage the disconnected pipe or connector. Prevent entry of foreign objects by covering the connectors with plastic bags.

(g) Observe the following precautions when connecting the fuel tube connector (Quick Type B):
(1) Line up the 2 parts of the pipes to be connected, and fully push the fuel tube connector and pipe together until they are fully seated. Next, push the retainer into the connector until its claws lock. If the pipe is difficult to push in to the connector, apply a small amount of clean engine oil to the tip of the pipe and reinsert it.
(2) After connecting the pipes, check that the pipe and connector are securely connected by pulling on them.
(3) Check for fuel leaks.
(h) Observe the following precautions when handling a nylon tube:
CAUTION:
|
4. INSPECT FOR FUEL LEAK
(a) Check that there are no fuel leaks from the fuel system after doing any maintenance or repairs (See page FU-7).
PARTS LOCATION

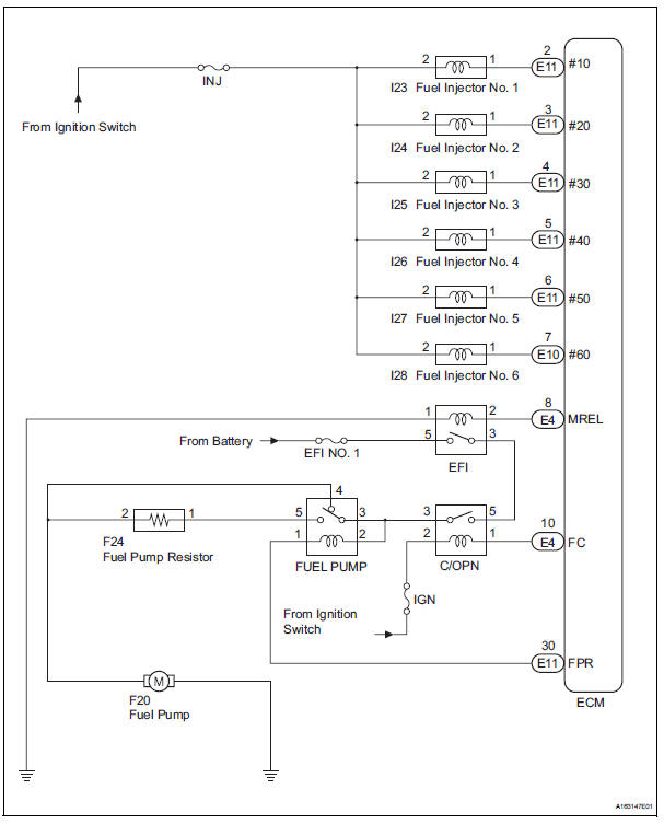
SYSTEM DIAGRAM

Fuel system
On-vehicle inspectionReassembly
1. INSTALL SEAT POSITION AIRBAG SENSOR (for Driver Seat)
2. INSTALL FRONT SEAT CUSHION SHIELD LOWER LH
Install the front seat cushion shield lower LH with
the screw.
3. INSTALL FRONT SEAT CUSHION SHIELD LOWER
RH
HINT:
Use the same procedures for the RH side and LH side.
4. INSTAL ...
Actuator Supply Voltage Circuit / Open
DESCRIPTION
The ECM monitors the output voltage to the throttle actuator. This self-check
ensures that the ECM is
functioning properly. The output voltage is usually 0 V when the ignition switch
is turned off. If the output
voltage is higher than 7 volts when the ignition switch is turned ...
Air Mix Damper Control Servo Motor Circuit (Passenger Side)
DESCRIPTION
The air mix control servo motor (air mix damper servo sub-assembly) is
controlled by the A/C amplifier.
The air mix control servo motor moves the air mix damper by rotating (normal,
reverse) with electrical
power from the A/C amplifier.
This adjusts the mix ratio of the air t ...